BQ51050BRHLR
高效率琦V1.1兼容无线电源接收器和电池充电器
制造商:
产品信息
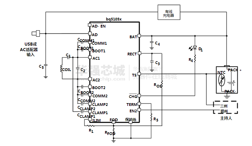
该bq5105x是一种高效率无线电源接收器,锂离子/锂聚合物电池充电控制器,便携式应用程序。该bq5105x设备提供高效的AC / DC电源转换,集成数字控制器遵守齐V1.1通信协议,需要进行有效的所有必要的控制算法所需安全锂离子和锂聚合物电池充电器。连同bq500210发射机侧控制器,所述bq5105x能够直接电池充电器解决方案提供完整的无线电力传输系统。利用近场感应功率传输,接收器线圈嵌入在便携式设备可以拾取由发射的功率发射线圈。来自接收器线圈的交流信号,然后整流和调节以直接给电池加电。全局反馈是从接收机到发射机,以稳定的电源既定转移过程。这种反馈是利用齐V1.1通信协议建立的。
该bq5105x器件集成了一个低阻抗的同步整流,低压降稳压器,数字控制,充电器控制器,和精确的电压,并在单个封装中的电流环路。整个功率级(整流器和LDO )采用低电阻N-MOSFET的( 100mΩ的典型导通电阻),以确保高效率和低功耗耗散。
特点:
单级无线电源接收器
和锂离子/锂聚合物电池充电器
- 结合无线电源接收器,整流器和电池充电器的单小型封装
- 4.2V和4.35V的输出电压选项
- 支持高达1.5A的充电电流
- 93 %的峰值AC- DC充电效率
健壮的体系结构
- 20V最大输入电压容差,具有输入过压钳位保护
- 热关断和过电流保护
- 温度监测与故障发现
兼容WPC 1.1版“气”产业标准
功率级输出跟踪和整流器电池电压,以确保在整个充电周期的最高的效率
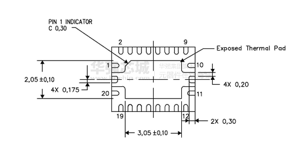
可在小型WCSP封装和QFN封装



