BPW34S
硅PIN光电二极管
制造商:
产品信息
BPW34是具有高速和高辐射PIN光电二极管在小型,扁平,顶视图,透明的塑料包装的灵敏度。它是可见光和近红外辐射敏感。BPW34S被包装在管,像BPW34规格。
特点:
包装类型:含铅
包装形式:顶视图
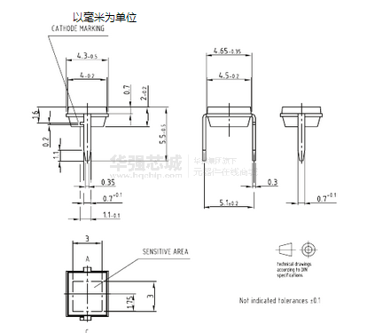
尺寸(单位:mm长x宽x高) : 5.4× 4.3× 3.2
辐射敏感区(单位:mm2): 7.5
高感光度照片
高辐射敏感性
适用于可见光和近红外辐射
快速的响应时间
半灵敏度角度:ϕ= ± 65°
铅(Pb )按照-free组件
RoHS指令2002/95 / EC和WEEE 2002/96 / EC

