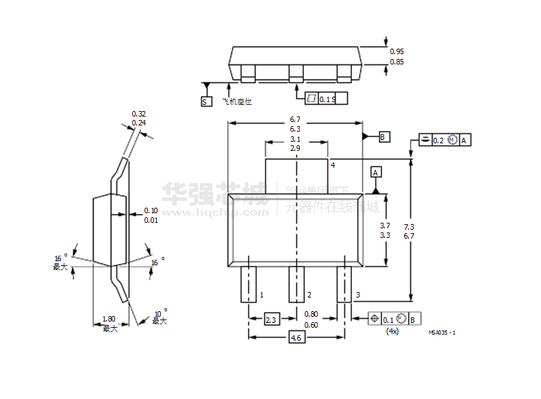
BFG35NPN 4 GHz宽带晶体管。 制造商:中文资料及数据手册BFG35中文资料.pdfBFG35datasheet.pdf在线购买产品信息 描述 NPN平面外延晶体管装在一个塑料SOT223信封,适用于宽带放大器应用。它具有高输出电压的能力。电路图、引脚图和封装图BFG35电路图BFG35引脚图BFG35封装图应用案例我国第35、36颗北斗卫星以“一箭双星”的方式成功发射2018-08-27图说细节:F-35A/B/C三型战机有何区别2022-12-30光颉代理 功率电阻器 STR35 TO263 35W2023-02-27光颉代理 功率电阻器 STR35 TO263 35W2023-02-27光颉代理 功率电阻器 STR35 TO263 35W2023-02-27光颉代理 功率电阻器 STR35 TO263 35W2023-02-27光颉代理 功率电阻器 STR35 TO263 35W2023-02-27光颉代理 功率电阻器 STR35 TO263 35W2023-02-27