BD677G
塑料中功率NPN硅达林顿。
制造商:
产品信息
描述
这些器件在平面制造基地岛上技术与单片达林顿配置。
特点
好ħFE线性
高FT频率
单片达林顿与配置集成的反平行集电极 - 发射极二极管
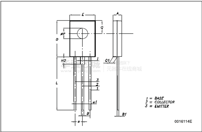
电路图、引脚图和封装图
应用案例
ROHM BD48xxx和BD49xxx系列电压检测IC:高精度低功耗之选
2025-12-17
HOLTEK新推出BD66RM2541G/FM6546G Flash MCU
2025-02-26
罗姆BD14210G-LA电流检测放大器
2023-06-21
降压型DC/DC转换器IC评估版“BD9G500EFJ-EVK-001”评测(1)
2023-02-20
降压型DC/DC转换器IC评估版BD9G500EFJ-EVK-001评测(1)
2023-02-08
内置耐压高达80V的MOSFET的DC/DC转换器用IC BD9G341AEFJ介绍
2023-02-13
降压型DC/DC转换器IC BD9G500EFJ-EVK-001评测(3)
2023-02-08
降压型DC/DC转换器IC评估版“BD9G500EFJ-EVK-001”评测(2)
2023-02-08




