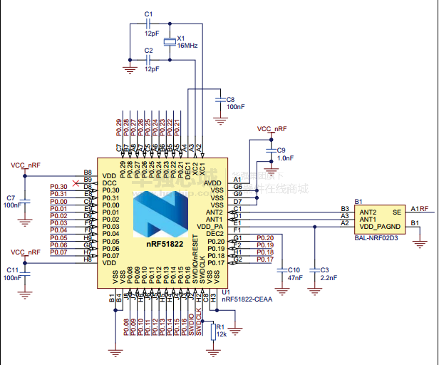
BAL-NRF02D3
信号调节 Balun for NRF51822 WLCSP type
制造商:
产品信息
意法半导体bal-nrf02d3是一种超小型巴伦。该bal-nrf02d3集成匹配网络和谐波滤波器。匹配阻抗已为以下北欧半导体电路定制:nrf51422起,nrf51422组合数据与地址总线上,nrf51422和nrf51822 CEAA,nrf51822组合数据与地址总线上,nrf51822。bal-nrf02d3采用意法半导体的导电玻璃基板技术上优化射频性能。该bal-nrf02d3已经过测试和北欧半导体在nRFGO模块批准
特点:
50Ω标称输入/共轭匹配北欧半导体芯片nrf51422起,nrf51422组合数据与地址总线上,nrf51422 andnrf51822 CEAA,nrf51822组合数据与地址总线上,nrf5182
低插入损耗
低幅度不平衡
低相位不平衡
占地面积小:小于1.2平方毫米



