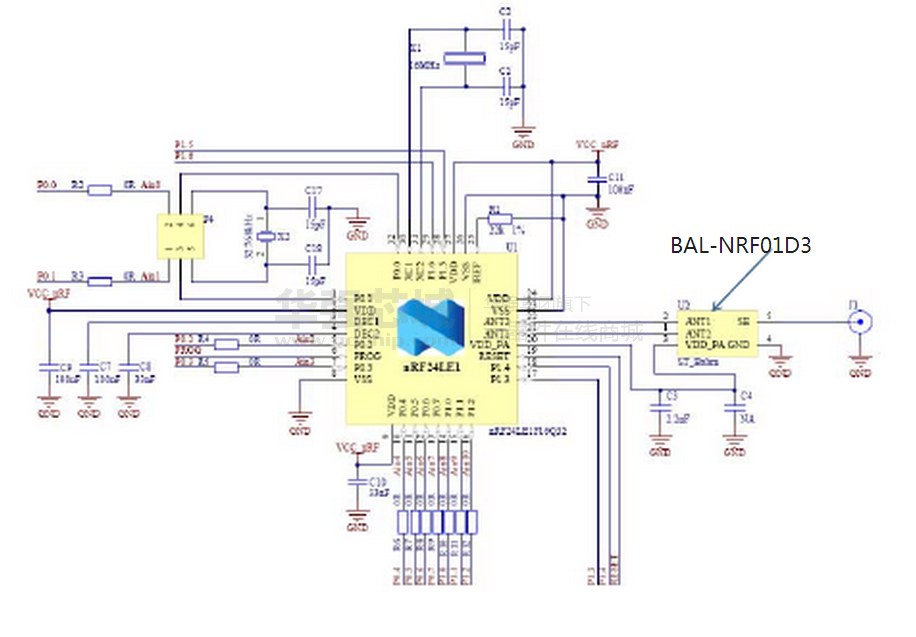
BAL-NRF01D3
信号调节 50ohm balun Trans 2G45 ISM
制造商:
产品信息
意法半导体BAL - NRF01D3是超小型不平衡变压器。在BAL- NRF01D3集成匹配网络和谐波滤波器。匹配阻抗已定制了以下Nordic半导体电路:nRF24LE1 QFN -32引脚, nRF24AP2-1CH和nRF24AP2-8CH 。在BAL- NRF01D3用途意法半导体IPD技术在非该优化射频导电玻璃基板。在BAL - NRF01D3已测试和批准的Nordic半导体他们nRF2723的nRFgo模块。
特点:
标称输入/共轭匹配,有nRF24LE1 QFN32 , nRF24AP2-1CH和nRF24AP2-8CH
低插入损耗
低幅度不平衡
低相位不平衡
占地面积小: < 1.5毫米



