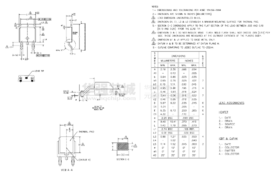
AUIRFR5305
汽车MOSFET。
制造商:
产品信息
描述
专为汽车应用,这种细胞HEXFET功率MOSFET的平面设计采用了最新的加工技术,以实现低导通电阻元硅片面积。这样做的好处结合快速开关速度和坚固耐用的设备的设计, HEXFET功率MOSFET是众所周知的,为设计者提供了一个非常高效,在汽车使用可靠的设备和各种其他应用程序。
特点
高级平面技术
低导通电阻
动态的dv / dt额定值
175 ° C工作温度
快速开关
全额定雪崩
重复性雪崩中允许多达TJMAX
无铅,符合RoHS
汽车合格




