ATXMEGA32A4-AU
8位/ 16位AVR XMEGA微控制器D4。
制造商:
产品信息
概述
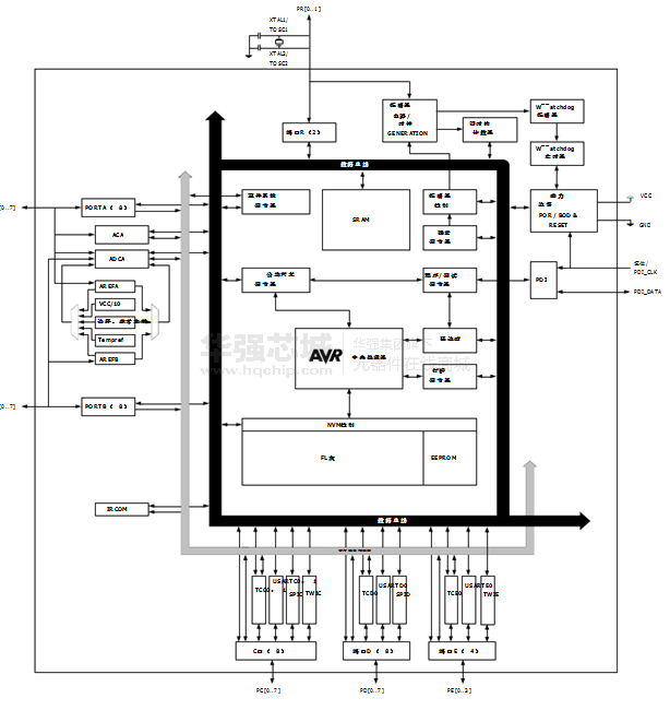
该XMEGA D4是一个家庭的低功耗,高性能和周边丰富的CMOS 8位/ 16位的基于AVR微控制器®增强的RISC架构。通过强大的执行在一个时钟周期指令, XMEGA D4的数据吞吐率100万条指令每秒( MIPS )每MHz使系统设计师能够优化功率变消费与处理速度。
在AVR CPU具有丰富的指令集和32个通用工作寄存器。所有32个寄存器是直接连接到所述算术逻辑单元(ALU) ,允许两个独立的寄存器中的一个指令被访问,在一个时钟周期内执行。由此产生的架构提高了代码效率,同时实现吞吐量比传统快很多倍tional单蓄电池或CISC微控制器。
该XMEGA D4器件提供以下功能:系统内可编程闪存与同时读 - 写能力,内部EEPROM和SRAM ,四通道事件系统,亲可编程多级中断控制器, 34个通用I / O口线, 16位实时计数器( RTC ),四个灵活的16位定时器/计数器具有比较模式和PWM , 2个USART , 2双线接口( TWIs ),两个串行外设接口( SPI接口),一个Twelve-通道12位ADC具有可选差分输入,可编程增益两个模拟比较ators用窗口模式,可编程看门狗定时器具有独立的片内振荡器,精确的内部振荡器, PLL和预分频器和可编程欠压检测。计划和调试接口( PDI ) ,一个快2线接口进行编程和调试,是可用的。
该XMEGA D4器件有五个软件选择的省电模式。空闲模式CPU停止工作,而SRAM ,事件系统,中断控制器和所有外围设备继续工作。在掉电模式保存SRAM和寄存器的内容,但停止振荡器,禁用所有其他功能,直到下一个TWI或引脚变化中断或复位。在省电模式下,异步实时计数器继续运行,允许应用程序阳离子以保持一个时间基准,而装置的其余部分处于休眠状态。在待机模式下,晶体/陶瓷振荡器继续工作,而该设备的其他部分处于休眠状态。这使得非常快的启动,从外部晶体结合了低功耗。在扩展待机模式下,主振荡器和异步定时器继续运行。为了进一步降低功耗,外设时钟到各个外围设备可任选停止在活动模式和待机休眠模式。
该器件采用Atmel的高密度非易失性存储器技术制造。亲克闪存可通过PDI进行在系统编程。在运行的引导程序该设备可以使用任何接口连接到应用程序下载到闪存中。该在引导Flash Bootloader的软件将继续,而应用Flash运行部分被更新,提供真正的同时读 - 写操作。通过将8位/ 16位的RISCCPU与系统内可编程闪存,爱特梅尔XMEGA D4是一个功能强大的单片机控制器系列,它提供了很多高度灵活和成本效益的解决方案,嵌入式应用程序。
该XMEGA D4器件具有一整套的编程与系统开发的支持工具,包括: C语言编译器,宏汇编,程序调试器/仿真器,编程器,和评估板。
特点
•高性能,低功耗的8位/ 16位AVR XMEGA微控制器
•非易失性程序和数据存储器
- 16 KB - 128在系统的KB自编程闪存
- 4 KB - 8 KB的引导代码段具有独立锁定位
- 1 KB - 2 KB的EEPROM
- 2 KB - 8 KB的片内SRAM
外设特性
- 四通道事件系统
- 4个16位定时器/计数器
三个定时器/计数器有4个输出比较或输入捕捉通道
一个定时器/计数器, 2个输出比较或输入捕捉通道
高分辨率扩展两个定时器/计数器
高级波形扩展一个定时器/计数器
- 两个USART
红外扩展一个USART
- 两两线接口与双地址匹配(我2C和SMBus兼容)
- 2个SPI (串行外设接口)外设
- 16位实时计数器具有独立振荡器
- 一个十二个通道,12位, 200 ksps的模数转换器
- 两个模拟比较器,窗口比较功能
- 外部中断所有通用I / O引脚
- 可编程看门狗定时器具有独立的片上超低功耗振荡器
单片机特性
- 上电复位和可编程欠压检测
- 与PLL内部和外部时钟选项
- 可编程多级中断控制器
- 睡眠模式:空闲模式,掉电,待机,省电,延长待机
- 高级编程,测试和调试接口
PDI (编程和调试接口)编程,测试和调试
I / O和封装
- 34可编程I / O线
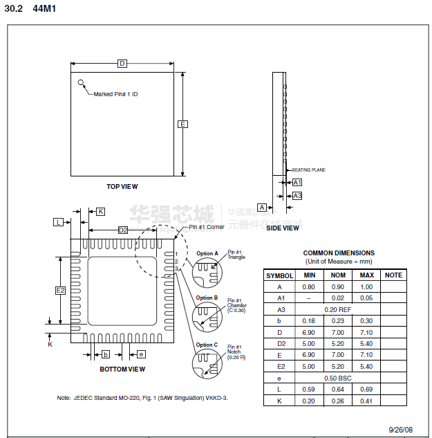
- 44引脚TQFP
- 44 - VQFN垫/ QFN
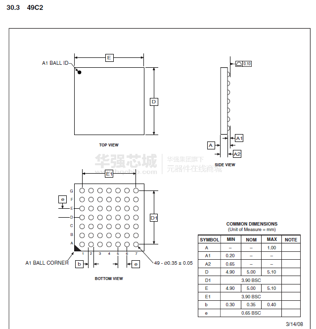
- 49球VFBGA
工作电压
– 1.6 – 3.6V
高速性能
- 0 - 12兆赫@ 1.6 - 3.6V
- 0 - 32兆赫@ 2.7 - 3.6V
电路图、引脚图和封装图
技术资料
应用案例
Au纳米晶体在剪切加载下通过孪晶界滑移主导的塑性变形机制
2022-07-12
一种设计和制备无衬底Au/SiNx/Au超构薄膜作为MFPA的太赫兹吸收体的方法
2022-07-10
LG AU810PW双激光光源,超大屏4k激光家庭影院
2022-05-17
深入剖析Microchip ATxmega32E5/16E5/8E5微控制器
2026-02-27
芯旺微电子携拥有自主IP的KungFu内核车规级32位MCU KF32A15X一路披荆斩棘
2020-12-15
芯旺微电子车规级MCU KF32A15X 斩获第五届铃轩奖
2020-11-28
极海推出APM32A全系列车规级MCU
2023-02-02
KF32A156荣获2021 BLDC电机控制器十大主控芯片奖
2021-11-18





