ATTINY9-TS8R
8 -bit微控制器512/1024字节的系统内可编程闪存。
制造商:
产品信息
ATtiny4 / 5 /9/10低功耗CMOS基础上,小巧的AVR 8位微控制器增强的RISC架构。通过在一个单一的时钟周期执行功能强大的指令,所述ATtiny4 / 5 /9/10实现吞吐量接近每兆赫1 MIPS ,使系统设计人员在功耗和处理速度之间。
AVR内核具有16个通用工作寄存器和丰富的指令集系统寄存器。所有寄存器都直接连接到所述算术逻辑单元(ALU) ,允许两个独立的寄存器中在一个时钟周期中执行一个指令来访问。这种结构紧凑,高效的代码,同时实现最高至10时间比传统的CISC微控制器快。
特点
•高性能,低功耗的AVR®8位微控制器
•先进的RISC架构
- 54条指令 - 绝大多数为单时钟周期执行
- 16个8位通用工作寄存器
•全静态工作
- 高达12 MIPS的吞吐量在12 MHz
非易失性程序和数据存储器
- 512/1024字节的系统内可编程闪存程序存储器的
- 32字节的片内SRAM
- 闪存写入/擦除周期:10,000
- 数据保存: 20年85oC / 100年在25oC
外设特性
- 1个16位定时器/计数器及两条PWM通道
- 可编程看门狗定时器具有独立的片上振荡器
- 4通道, 8位模数转换器
- 片上模拟比较器
单片机特性
•在系统可编程
- 外部和内部中断源
- 低功耗空闲模式, ADC噪声抑制和掉电模式
- 增强型上电复位电路
- 可编程的电源电压电平监视与中断和复位
- 内部振荡器校准
I / O和封装
- 采用6引脚SOT :四个可编程I / O线
工作电压:
– 1.8 – 5.5V
编程电压:
– 5V
速度等级
- 0 - 4兆赫@ 1.8 - 5.5V
- 0 - 8兆赫@ 2.7 - 5.5V
- 0 - 12兆赫@ 4.5 - 5.5V
工业温度范围
低功耗
- 主动模式:
• 200μA在1MHz和1.8V
•空闲模式:
• 25μA在1MHz和1.8V
- 掉电模式:
• 《 0.1μA在1.8V
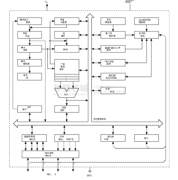
电路图、引脚图和封装图
在线购买
型号:ATTINY9-TS8R
描述:-



