ATTINY88-MU
8位微控制器与4 / 8K字节的系统内可编程闪存。
制造商:
产品信息
概述
该ATTINY48 / 88是一款基于AVR的低功耗8位CMOS微控制器增强型RISC架构。通过在一个单一的时钟周期执行功能强大的指令,所述ATTINY48 / 88达到数据吞吐率高达1 MIPS每MHz使系统设计师能够优化功率变消费与处理速度。
特点
•高性能,低功耗的AVR ®8位微控制器
•先进的RISC架构
- 123条指令 - 绝大多数为单时钟周期执行
- 32个8位通用工作寄存器
•全静态工作
高耐用性非易失性内存段
- 4K / 8K的字节的系统内可编程闪存程序存储器
• 64/64字节EEPROM
- 256/512字节的片内SRAM
- 写/擦除周期:10,000闪存/ EEPROM 100000
- 数据保存:20年在85 ℃/百年,在25℃
- 可以对锁定的软件安全
外设特性
- 一个8位定时器/计数器具有独立预分频器和比较模式
- 1个16位定时器/计数器具有独立预分频器和比较和捕获模式
- 6或8通道10位ADC
- 主/从SPI串行接口
- 面向字节的两线串行接口(飞利浦的我2C兼容)
- 可编程看门狗定时器具有独立的片上振荡器
- 片上模拟比较器
- 中断和唤醒引脚电平变化
单片机特性
- debugWIRE的片上调试系统
- 在系统内通过SPI端口编程
- 上电复位和可编程欠压检测
- 内部振荡器校准
- 外部和内部中断源
- 三种睡眠模式:空闲模式, ADC噪声抑制模式和掉电模式
•片上温度传感器
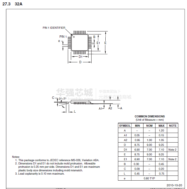
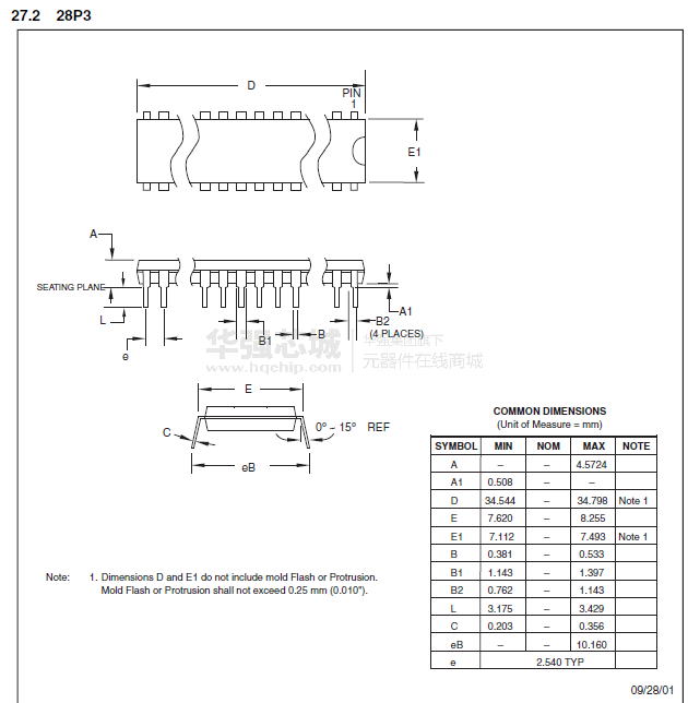
I / O和封装
- 24个可编程I / O线:
• 28引脚PDIP
• 28 - QFN垫
- 28可编程I / O线:
• 32引脚TQFP
• 32 - QFN垫
• 32球UFBGA
工作电压:
– 1.8
–5.5V
温度范围:
– -40°C至+ 85°C
速度等级:
–4兆赫@ 1.8
–5.5V
–8兆赫@ 2.7
–5.5V
–12兆赫@ 4.5
–5.5V
低功耗
- 主动模式: 1兆赫, 1.8V : 240 μA
- 掉电模式: 0.1 μA在1.8V
电路图、引脚图和封装图
技术资料
应用案例
SK8855/SK8850 Multimedia Contr
2010-07-01
六串流MU-MIMO平台加持 WIFI传输率三级跳
2010-07-01
Eval-1ED3142MU12F-SiC评估板:开启EiceDRIVER™ 1ED3142MU
2025-12-20
MU和意法半导体 (ST) 合作开发微型超声诊断仪
2010-07-01
第88届中国电子展:智能制造与工业4.0推动电子产业提升
2008-08-14
与第88届中国电子展共享优势资源突破发展瓶颈
2008-08-14
隐形火患的“拆弹专家”:ARCM200L-MU电气综合监控单元
2025-11-22
Made with KiCad(108):基于 LattePanda-Mu 的 nvme 载板
2024-12-19










