ATTINY88

8位微控制器与4 / 8K字节的系统内可编程闪存。

制造商:

产品信息

该ATTINY48 / 88是一款基于AVR的低功耗8位CMOS微控制器增强型RISC架构。通过在一个单一的时钟周期执行功能强大的指令,所述ATTINY48 / 88达到数据吞吐率高达1 MIPS每MHz使系统设计师能够优化功率变消费与处理速度。

特点:

  •高性能,低功耗的AVR®8位微控制器

  •先进的RISC架构

  - 123条指令 - 绝大多数为单时钟周期执行

  - 32个8位通用工作寄存器

  •全静态工作

  高耐用性非易失性内存段

  - 4K /中在系统内可编程的Flash程序存储器8K字节( ATTINY48 / 88 )

  - 64/64字节EEPROM ( ATTINY48 / 88 )

  - 256/512字节内部SRAM ( ATTINY48 / 88 )

  - 写/擦除周期:10,000闪存/ EEPROM 100000

  - 数据保存:20年在85 ℃/百年,在25℃

  - 可选Boot代码区与Indepentent锁定位

  •在系统编程通过片上引导程序

  •真正的同时读 - 写操作

  - 可以对锁定的软件安全

  外设特性

  - 一个8位定时器/计数器具有独立预分频器和比较模式

  - 1个16位定时器/计数器具有独立预分频器和比较和捕获模式

  - 8通道10位ADC的32引脚TQFP和32 - QFN垫/ MLF封装

  - 6通道10位ADC, 28引脚PDIP和28 - QFN垫/ MLF封装

  - 主/从SPI串行接口

  - 面向字节的两线串行接口(飞利浦的我

  2

  C兼容)

  - 可编程看门狗定时器具有独立的片上振荡器

  - 片上模拟比较器

  - 中断和唤醒引脚电平变化

  单片机特性

  - debugWIRE的片上调试系统

  - 在系统内通过SPI端口编程

  - 上电复位和可编程欠压检测

  - 内部振荡器校准

  - 外部和内部中断源

  - 三种睡眠模式:空闲模式, ADC噪声抑制模式和掉电模式

  I / O和封装

  - 28可编程I / O口线的32引脚TQFP和32 - QFN垫/ MLF封装

  - 24个可编程I / O口线28引脚PDIP和28 - QFN垫/ MLF封装

  - 28引脚PDIP , 32引脚TQFP封装, 28 - QFN垫/ MLF以及32垫QFN / MLF

  工作电压:

  – 1.8–5.5V

  温度范围:

  – -40°C至+ 85°C

  速度等级:

  – 0–2兆赫@ 1.8–5.5V

  – 0–6兆赫@ 2.7–5.5V

  – 0–12兆赫@ 4.5–5.5V

  低功耗

  - 主动模式: 1兆赫, 1.8V : 240μA

  - 掉电模式: 0.1μA在1.8V


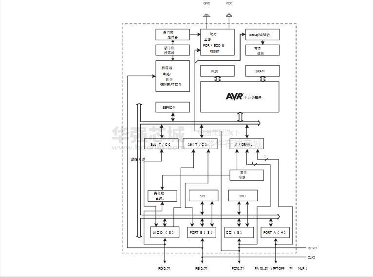
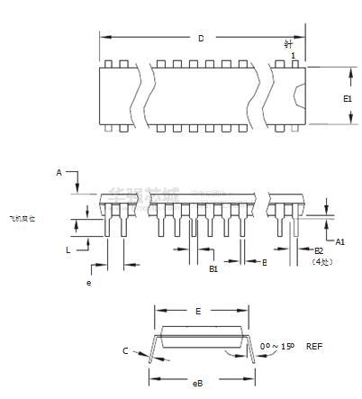
电路图、引脚图和封装图

    ATTINY88电路图

      ATTINY88引脚图

        ATTINY88封装图

        在线购买

        应用案例