ATTINY461A-MU
8位微控制器与2/4 / 8K字节的系统内可编程闪存。
制造商:
产品信息
ATtiny261A / 461A / 861A的低功耗CMOS基于AVR 8位微控制器增强的RISC架构。通过在一个单一的时钟周期执行功能强大的指令,所述设备实现数据吞吐率高达1 MIPS每MHz允许系统设计人员为了优化程度降低功耗和处理速度之间。
特点
•高性能,低功耗的AVR®8位微控制器
•先进的RISC架构
- 123条指令 - 绝大多数为单时钟周期执行
- 32个8位通用工作寄存器
•全静态工作
- 高达20 MIPS的吞吐量,在20兆赫
高耐用性非易失性内存段
- 2/4 / 8K在系统内可编程闪存程序存储器的字节
•耐力:10,000写/擦除周期
- 128/256/512字节的系统内可编程EEPROM
- 耐力:100,000写/擦除周期
- 128/256/512字节内部SRAM
- 数据保存:20年在85 ℃/百年,在25℃
- 在系统内通过SPI端口编程
- 可以对锁定的软件安全
外设特性
- 一个8位/ 16位定时器/计数器具有独立预分频器
- 一个8 /10-位高速定时器/计数器具有独立预分频器
• 3高频PWM输出具有独立的输出比较寄存器
•可编程死区时间发生器
- 10位ADC
• 11个单端通道
•16个差分ADC通道对
• 15差分ADC通道对具有可编程增益( 1倍,8倍,20倍, 32倍)
- 片上模拟比较器
- 可编程看门狗定时器具有独立的片上振荡器
- 与启动条件检测器的通用串行接口
- 中断和唤醒引脚电平变化
单片机特性
- debugWIRE的片上调试系统
- 上电复位和可编程欠压检测
- 内部振荡器校准
- 外部和内部中断源
- 四种睡眠模式:低功耗空闲模式,噪声抑制,待机和供电
下
•片上温度传感器
I / O和封装
- 16可编程I / O线
- 20引脚PDIP , 20引脚SOIC , 20引脚TSSOP和32片MLF
工作电压
– 1.8 – 5.5V
速度等级
- 0 - 4兆赫@ 1.8 - 5.5V
- 0 - 10兆赫@ 2.7 - 5.5V
- 0 - 20 MHz的@ 4.5 - 5.5V
功耗在1 MHz , 1.8V ,25°C
- 活动: 200 μA
- 掉电模式: 0.1 μA
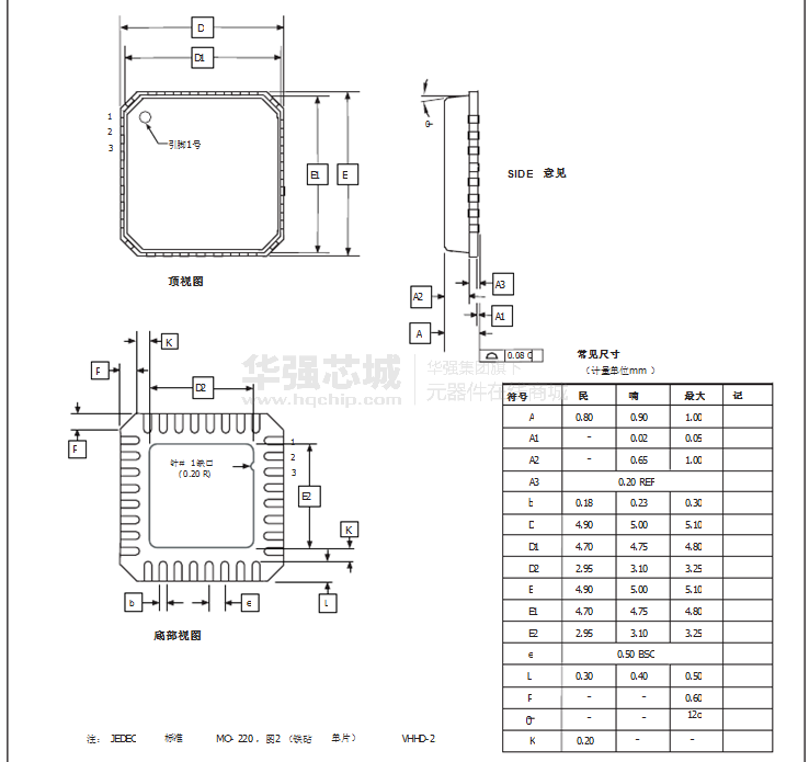
电路图、引脚图和封装图
应用案例
ATtiny3224/3226/3227:高性能低功耗的tinyAVR® 2系列微控制器
2025-10-15
如何使用ESP32和ATtiny861制作NES模拟器游戏控制台
2019-08-27
如何使用ATtiny84A微控制器构建面包板LED手表?
2023-07-19
Microchip基于ATTINY1616的触摸感应设计方案
2021-01-19
LattePanda Mu 微型x86计算模块国内平台全新发售
2024-04-18
基于SRF05和ATtiny85实现的超声波测距仪设计
2022-04-12
韩国认证:特斯拉Model 3 Performance焕新版功率达461kW
2024-03-06
隐形火患的“拆弹专家”:ARCM200L-MU电气综合监控单元
2025-11-22







