ATTINY45
Atmel 8位AVR微控制器。
制造商:
产品信息
◆高性能、低功耗的8位AVR微处理器
◆先进的RISC结构
△120条指令–大多数指令执行时间为单个时钟周期
△32个8位通用工作寄存器
△全静态工作
◆非易失性程序和数据存储器
△4K字节的系统内可编程Flash *擦写寿命:10,000次
△256字节的系统内可编程EEPROM *擦写寿命:100,000次
△256字节的内部SRAM
△可以对锁定位进行编程,以实现对自编程Flash和EEPROM数据的加密
◆外设特点
△具有预分频和双路PWM通道的8位定时/计数器
△具有独立预分频的8位高速定时/计数器
△具有独立输出比较寄存器的双路高频PWM输出
△可编程的空载时间产生器
△USI-具有起始条件检测的通用串行接口
△10位转换器
*4路单端通道
*2路差分通道
*温度测量
振荡器
的可编程看门狗定时器
△片内模拟比较器
◆特殊的处理器特点
△debugWIRE在线调试接口
△通过SPI端口在系统内可编程
△片内、片外中断源
△空闲模式、ADC
△内部上电复位
△可编程BOD电路
△片内校准晶振
◆I/O引脚与封装:*6个可编程I/O口 *PDIP8,SOIC8,和MLF20
◆供电范围:2.7-5.5V
◆速度等级:0-10MHz @2.7-5.5V,0-20MHz@4.5-5.5V
◆低功耗
△正常模式:1MHz,1.8V:300μA
△掉电模式:1.8V:0.1μA
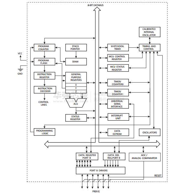
电路图、引脚图和封装图
在线购买
型号:ATTINY85-20SFR
描述:-
型号:ATTINY45-20XU SL561
描述:-
型号:ATTINY45V10MU
描述:-
型号:ATTINY45 15MT2
描述:-
型号:ATTINY85-20SF
描述:-
型号:ATTINY45V-10SU SL383
描述:-







