ATTINY441-SSU
8位微控制器与2/4 / 8K字节的系统内可编程闪存。
制造商:
产品信息
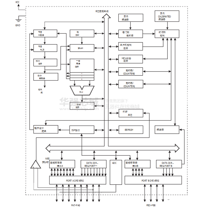
ATtiny24A / 44A是低功耗的CMOS基于AVR 8位微控制器增强型RISC架构。通过在单个时钟周期内执行强大的指令, ATtiny24A / 44A的数据吞吐率高达1 MIPS每MHz使系统设计师能够优化功耗和处理速度之间。
AVR内核具有丰富的指令集和32个通用工作寄存器。所有32寄存器直接连接到算术逻辑单元(ALU) ,允许两个独立的寄存器中在一个时钟周期中执行一个指令来访问。由此产生的架构提高了代码效率,同时实现最高至10倍,比CON-快常规CISC微控制器。
特点
•高性能,低功耗的AVR®8位微控制器
•先进的RISC架构
- 120条指令 - 绝大多数为单时钟周期执行
- 32个8位通用工作寄存器
•全静态工作
高耐用性,非易失性内存段
- 2K /系统内的4K字节,内可编程的Flash程序存储器
•耐力:10,000写/擦除周期
- 128/256字节的系统内可编程EEPROM
- 耐力:100,000写/擦除周期
- 128/256字节内部SRAM
- 数据保存:20年在85 ℃/百年,在25℃
- 编程锁定为自编程闪存& EEPROM数据安全
外设特性
- 一个8位和1个16位定时器/计数器,两个PWM通道,每个通道
- 10位ADC
• 8个单端通道
•12个差分ADC通道对具有可编程增益( 1倍/ 20倍)
- 可编程看门狗定时器具有独立的片上振荡器
- 片上模拟比较器
- 通用串行接口
单片机特性
- debugWIRE的片上调试系统
- 在系统内通过SPI端口编程
- 内部和外部中断源
•引脚电平变化中断引脚12
- 低功耗空闲模式,噪声抑制,待机和掉电模式
- 增强型上电复位电路
- 可编程欠压检测电路与软件禁用功能
- 内部振荡器校准
•片上温度传感器
I / O和封装
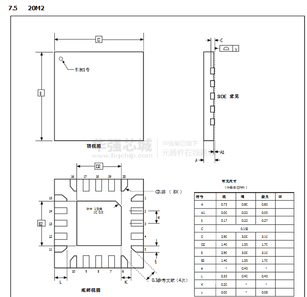
- 提供20引脚QFN / MLF / VQFN , 14引脚SOIC , 14引脚PDIP和15球UFBGA
- 12个可编程I / O线
工作电压:
– 1.8 – 5.5V
速度等级:
- 0 - 4兆赫@ 1.8 - 5.5V
- 0 - 10兆赫@ 2.7 - 5.5V
- 0 - 20 MHz的@ 4.5 - 5.5V
工业温度范围: -40 ° C至+ 85°C
低功耗
- 主动模式:
• 210 μA ,在1.8V至1MHz
•空闲模式:
• 33 μA在1.8V至1MHz
- 掉电模式:
• 0.1 μA ,在1.8V和25℃








