ATTINY40-SU
8位AVR微控制器与4K字节的系统内可编程闪存。
制造商:
产品信息
概述
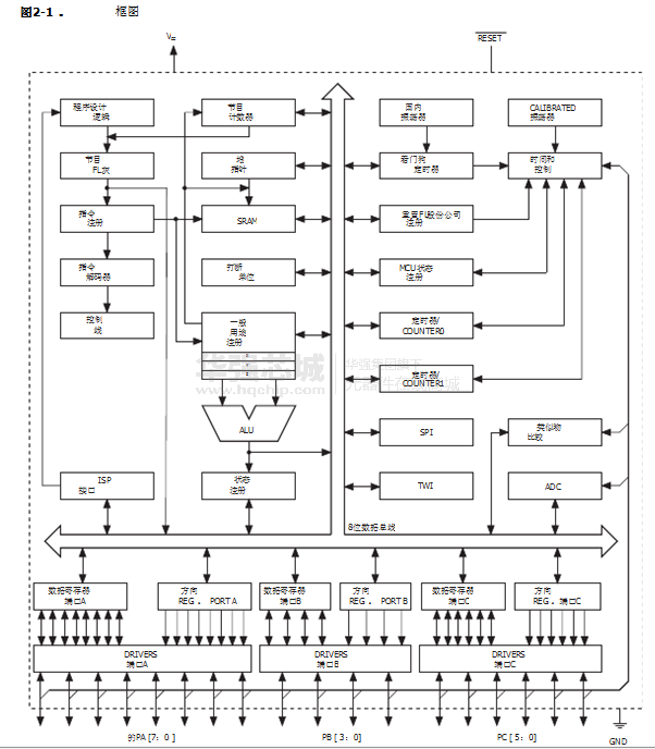
ATtiny40是一款基于AVR紧凑的低功耗8位CMOS微控制器增强的RISC架构。通过执行在单个时钟周期强大的指令, ATtiny40的数据吞吐率高达1 MIPS每MHz使系统设计师能够优化功耗和处理速度之间。
特点
•高性能,低功耗的AVR ®8位微控制器
•先进的RISC架构
- 54条指令 - 绝大多数为单时钟周期执行
- 16个8位通用工作寄存器
•全静态工作
- 高达12 MIPS的吞吐量在12 MHz
非易失性程序和数据存储器
- 在系统可编程闪存程序存储器的4K字节
- 256字节的片内SRAM
- 闪存写入/擦除周期:10,000
- 数据保存: 20年85oC / 100年在25oC
外设特性
- 一个8位定时器/计数器,两个PWM通道
•一个8位/ 16位定时器/计数器
- 10位模拟数字转换器
•12个单端通道
- 可编程看门狗定时器具有独立的片上振荡器
- 片上模拟比较器
- 主/从SPI串行接口
- 从TWI串行接口
单片机特性
•在系统可编程
- 外部和内部中断源
- 低功耗空闲模式, ADC噪声抑制,待机和掉电模式
- 增强型上电复位电路
- 内部振荡器校准
I / O和封装
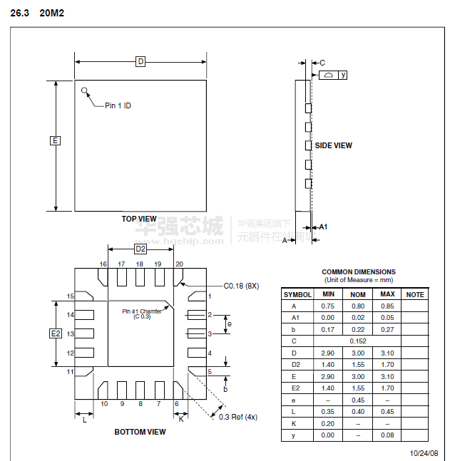
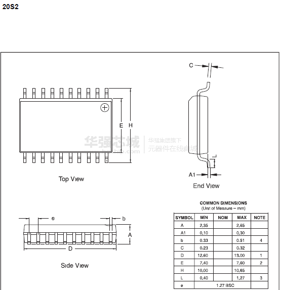
- 20引脚SOIC / TSSOP : 18个可编程I / O线
- 20 - VQFN垫/ MLF : 18个可编程I / O线
工作电压:
– 1.8 – 5.5V
编程电压:
– 5V
速度等级
- 0 - 4兆赫@ 1.8 - 5.5V
- 0 - 8兆赫@ 2.7 - 5.5V
- 0 - 12兆赫@ 4.5 - 5.5V
工业温度范围
低功耗
- 主动模式:
• 200 μA ,在1 MHz和1.8V
•空闲模式:
• 25 μA ,在1 MHz和1.8V
- 掉电模式:
• 《 0.1 μA在1.8V






