ATTINY26L-8MU
8位微控制器与2K字节的闪存。
制造商:
产品信息
描述
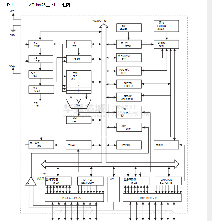
ATtiny26上(L)是基于所述一个低功耗CMOS 8位微控制器AVR增强的RISC架构。通过在单个时钟周期内执行强大的指令,ATtiny26上( L)的数据吞吐率高达1 MIPS每MHz,从而可以系统设计师在功耗和处理速度之间。AVR内核具有丰富的指令集和32个通用工作寄存器。所有的寄存器都直接连接到算术逻辑单元(ALU) ,允许两个独立的寄存器中在一个时钟一条指令被访问周期。这种结构大大提高了代码效率,同时实现吞吐量达比传统的CISC微控制器快十倍。 ATtiny26上(L)的具有高高精度ADC具有多达11个单端通道和8个差分通道。七差分通道具有20倍的可选增益。四明七差信道,其具有可选的增益,可以使用在同一时间。
ATtiny26上(L )还具有两个独立的输出的高频8位PWM模块。两个PWM输出都倒非重叠输出引脚理想的同步整风化。 ATtiny26上( L)的通用串行接口实现高效的软件实施TWI (双线串行接口)或SM总线接口。这些功能允许高度集成的电池充电器和照明镇流器应用,低端的热敏mostats和firedetectors ,以及其他的应用程序。
ATtiny26上( L)提供2K字节的闪存, 128字节EEPROM , 128字节SRAM ,多达16个通用I / O口线, 32个通用工作寄存器,两个8位定时器/计数器,一个具有PWM输出,内部和外部的振荡器,内部和外部中断,可编程看门狗定时器, 11通道, 10位模数转换器转换器与两个差分输入电压增益级和四个软件可选省电模式。在空闲模式下,CPU停止工作,允许定时器/计数器和中断系统继续工作。 ATtiny26上( L)也有一个专用的ADC降噪模式降低ADC转换噪声。在此睡眠模式下,只有ADC正常。在掉电模式保存登记内容,但冻结振荡器,禁用所有其他芯片功能,直到下一个中断或硬件洁具复位。待机模式是一样的省电模式,但外部振荡器被使能。唤醒或者引脚电平变化中断功能启用
ATtiny26上( L)是高度响应外部事件,仍具有最低的功耗消费而在掉电模式。该器件采用Atmel的高密度非易失性存储器技术制造。通过一个单芯片上结合了增强的RISC 8位CPU与Flash中,ATtiny26上( L)是一个功能强大的单片机,它提供了高度灵活和成本effec-略去解决许多嵌入式控制应用。
ATtiny26上( L) AVR具有一整套的编程与系统开发工具包括:宏汇编,程序调试器/软件仿真器,仿真器和评估板。
特点
•高性能,低功耗的AVR ®8位微控制器
•RISC架构
- 118条指令 - 绝大多数为单时钟周期执行
- 32个8位通用工作寄存器
•全静态工作
- 高达16 MIPS的吞吐量,在16兆赫
数据和非易失性程序存储器
- 对系统内可编程闪存程序存储器2K字节
耐力:10,000写/擦除周期
- 128字节的系统内可编程EEPROM
耐力:100,000写/擦除周期
- 128字节的片内SRAM
- 可以对锁定的闪存程序存储器和EEPROM数据安全
外设特性
- 8位定时器/计数器具有独立预分频器
- 8位高速定时器具有独立预分频器
2高频PWM输出具有独立的输出比较寄存器
非重叠反向PWM输出引脚
- 与启动条件检测器的通用串行接口
- 10位ADC
11个单端通道
8差分ADC通道
7差分ADC通道对具有可编程增益( 1X , 20X )
- 片上模拟比较器
•外部中断
- 引脚电平变化中断引脚11
- 可编程看门狗定时器具有独立的片上振荡器
单片机特性
- 低功耗空闲模式,噪声抑制,以及省电模式
- 上电复位和可编程欠压检测
- 外部和内部中断源
- 在系统内通过SPI端口编程
- 内部标定RC振荡器
I / O和封装
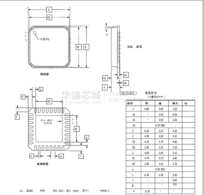
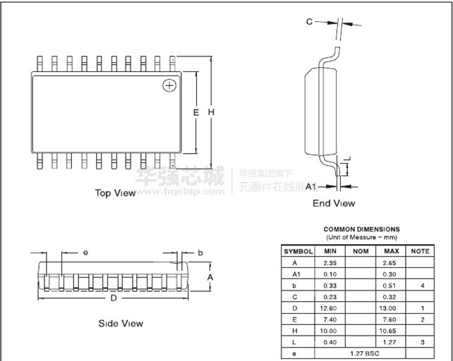
- 20引脚PDIP / SOIC : 16条可编程I / O线
- 32引脚QFN / MLF : 16个可编程I / O线
工作电压
- 2.7V - 5.5V的ATTINY26L
- 4.5V - 5.5V的ATtiny26上
速度等级
- 0 - 8兆赫ATTINY26L
- 0 - 16 MHz时为ATtiny26上
功耗在1 MHz , 3V和25℃ ATTINY26L
- 主动为16 MHz , 5V和25 ° C:典型15毫安
- 主动为1 MHz , 3V ,25 ° C: 0.70毫安
- 空闲模式下为1 MHz , 3V ,25 ° C: 0.18毫安
- 掉电模式: 《 1 μA






