ATTINY25-20SU
8位微控制器与2/4 / 8K字节的系统内可编程闪存。
制造商:
产品信息
概述
以ATtiny25 / 45/ 85是基于AVR增强型低功耗8位CMOS微控制器RISC架构。通过在单个时钟周期内执行强大的指令,资料以ATtiny25 /八十五分之四十五的数据吞吐率高达1 MIPS每MHz使系统设计师能够优化功耗和处理速度之间。
特点
•高性能,低功耗的AVR ®8位微控制器
•先进的RISC架构
- 120条指令 - 绝大多数为单时钟周期执行
- 32个8位通用工作寄存器
•全静态工作
非易失性程序和数据存储器
- 2/4 / 8K字节的系统内可编程闪存程序存储器
•耐力:10,000写/擦除周期
- 128/256/512字节的系统内可编程EEPROM
- 耐力:100,000写/擦除周期
- 128/256/512字节的片内SRAM
- 编程锁定为自编程闪存程序存储器和EEPROM数据
安全
外设特性
- 8位定时器/计数器及两条PWM通道
- 8位高速定时器/计数器具有独立预分频器
• 2高频PWM输出具有独立的输出比较寄存器
•可编程死区时间发生器
- USI - 与启动条件检测器的通用串行接口
- 10位ADC
•4个单端通道
• 2差分ADC通道对具有可编程增益( 1X , 20X )
•温度测量
- 可编程看门狗定时器具有独立的片上振荡器
- 片上模拟比较器
单片机特性
- debugWIRE的片上调试系统
- 在系统内通过SPI端口编程
- 外部和内部中断源
- 低功耗空闲模式, ADC噪声抑制和掉电模式
- 增强型上电复位电路
- 可编程欠压检测电路
- 内部振荡器校准
I / O和封装
- 六个可编程I / O线
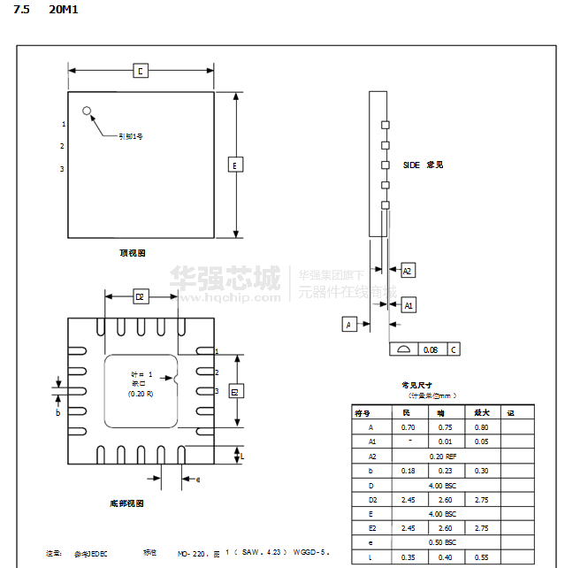
- 采用8引脚PDIP , 8引脚SOIC , 20 - QFN垫/ MLF和8引脚TSSOP (仅ATtiny45 / V)
工作电压
- 1.8 - 5.5V的ATtiny25V / 45V / 85V
- 2.7 - 5.5V的ATtiny25 /八十五分之四十五
速度等级
- ATtiny25V / 45V / 85V : 0 - 4兆赫@ 1.8 - 5.5V , 0 - 10兆赫@ 2.7 - 5.5V
- ATtiny25 / 45/ 85: 0 - 10兆赫@ 2.7 - 5.5V , 0 - 20兆赫@ 4.5 - 5.5V
工业温度范围
低功耗
- 主动模式:
•为1 MHz , 1.8V : 300 μA
- 掉电模式:
• 0.1 μA在1.8V
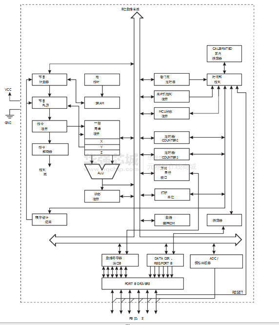
电路图、引脚图和封装图
应用案例
如何使用ESP32和ATtiny861制作NES模拟器游戏控制台
2019-08-27
如何使用Attiny13a 3S锂离子电池回收20W便携式可充电无线LED工作灯
2019-11-20
舜铭存储铁电存储器SF25C20:替换FM25V20A/MB85RS2MT
2025-02-13
兼容FM25V20A,国产铁电存储器SF25C20可用于风能系统
2024-07-18
Linux命令su和sudo的区别
2023-08-14
ZABDC20-25H75+21.5 dB双向耦合器介绍
2022-11-29
使用PWM技术通过ATtiny13微控制器控制伺服电机
2022-08-26
如何使用ATtiny85和MPU6050构建计步器
2022-08-07








