ATTINY24
8位微控制器与2/4 / 8K字节的系统内可编程闪存。
制造商:
产品信息
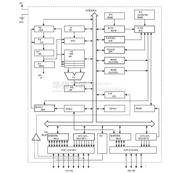
该ATtiny24 / 44/ 84是基于AVR增强型低功耗8位CMOS微控制器RISC架构。通过在一个单一的时钟周期执行功能强大的指令,所述ATtiny24 / 84分之44的数据吞吐率高达1 MIPS每MHz使系统设计师能够优化功耗和处理速度之间。
特点:
•高性能,低功耗的AVR®8位微控制器
•先进的RISC架构
- 120条指令 - 绝大多数为单时钟周期执行
- 32个8位通用工作寄存器
•全静态工作
非易失性程序和数据存储器
- 2/4 / 8K字节的系统内可编程闪存程序存储器( ATtiny24 / 44/ 84)
耐力:10,000写/擦除周期
- 128/256/512字节的系统内可编程EEPROM ( ATtiny24 / 44/ 84)
耐力:100,000写/擦除周期
- 128/256/512字节内部SRAM ( ATtiny24 / 44/ 84)
- 编程锁定为自编程闪存程序存储器和EEPROM数据安全
外设特性
- 两个定时器/计数器, 8位和两个两个PWM通道的16位计数器
- 10位ADC
8个单端通道
12差分ADC通道对具有可编程增益( 1X , 20X )
温度测量
- 可编程看门狗定时器具有独立的片上振荡器
- 片上模拟比较器
- 通用串行接口
单片机特性
- debugWIRE的片上调试系统
- 在系统内通过SPI端口编程
- 外部和内部中断源
•引脚电平变化中断引脚12
- 低功耗空闲模式,噪声抑制,待机和掉电模式
- 增强型上电复位电路
- 可编程欠压检测电路
- 内部振荡器校准
•片上温度传感器
I / O和封装
- 14引脚SOIC , PDIP和20引脚QFN / MLF : 12个可编程I / O线
工作电压:
- 1.8 - 5.5V的ATtiny24V / 44V / 84V
- 2.7 - 5.5V的ATtiny24 / 84分之44
速度等级
- ATtiny24V / 44V / 84V : 0 - 4兆赫@ 1.8 - 5.5V , 0 - 10兆赫@ 2.7 - 5.5V
- ATtiny24 / 44/ 84: 0 - 10兆赫@ 2.7 - 5.5V , 0 - 20兆赫@ 4.5 - 5.5V
工业温度范围
低功耗
- 主动模式:
为1 MHz ,1.8V : 380 μA
- 掉电模式:
1.8V : 100 nA






