ATTINY2313A-PU
8位微控制器与2 / 4K字节的系统内可编程闪存。
制造商:
产品信息
概述
在的ATtiny2313A / 4313是一款基于AVR增强型低功耗8位CMOS微控制器RISC架构。通过在一个单一的时钟周期执行功能强大的指令,所述的ATtiny2313A / 4313的数据吞吐率高达1 MIPS每MHz,从而可以系统设计师在功耗和处理速度之间。
特点
•高性能,低功耗的AVR ®8位微控制器
•先进的RISC架构
- 120条指令 - 绝大多数为单时钟周期执行
- 32个8位通用工作寄存器
•全静态工作
- 高达20 MIPS的吞吐量,在20兆赫
数据和非易失性程序和数据存储器
- 2 / 4K字节的系统内自编程闪存
•耐力万写/擦除周期
- 128/256字节的系统内可编程EEPROM
- 耐力:100,000写/擦除周期
- 128/256字节的片内SRAM
- 可以对锁定的闪存程序存储器和EEPROM数据安全
外设特性
- 一个8位定时器/计数器具有独立预分频器和比较模式
- 1个16位定时器/计数器具有独立预分频器,比较和捕获模式
- 四个PWM通道
- 片上模拟比较器
- 可编程看门狗定时器,带有片上振荡器
- USI - 通用串行接口
- 全双工USART
单片机特性
- debugWIRE的片上调试
- 在系统内通过SPI端口编程
- 外部和内部中断源
- 低功耗空闲模式,掉电模式和待机模式
- 增强型上电复位电路
- 可编程欠压检测电路
- 内部振荡器校准
I / O和封装
- 18个可编程I / O线
- 20引脚PDIP , 20引脚SOIC , 20 -垫MLF / VQFN
工作电压
– 1.8 – 5.5V
速度等级
- 0 - 4兆赫@ 1.8 - 5.5V
- 0 - 10兆赫@ 2.7 - 5.5V
- 0 - 20 MHz的@ 4.5 - 5.5V
工业温度范围: -40 ° C至+ 85°C
低功耗
•主动模式
• 190 μA ,在1.8V至1MHz
•空闲模式
• 24 μA在1.8V至1MHz
•掉电模式
• 0.1 μA ,在1.8V和+ 25°C
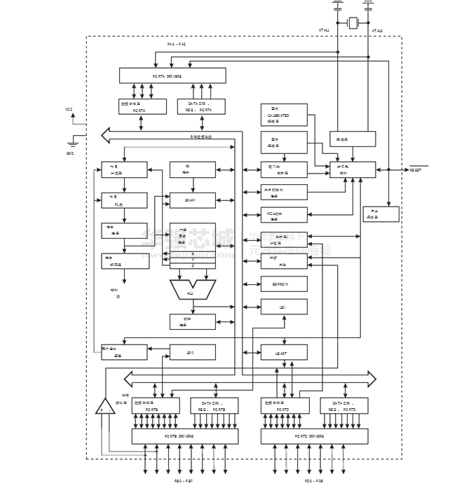
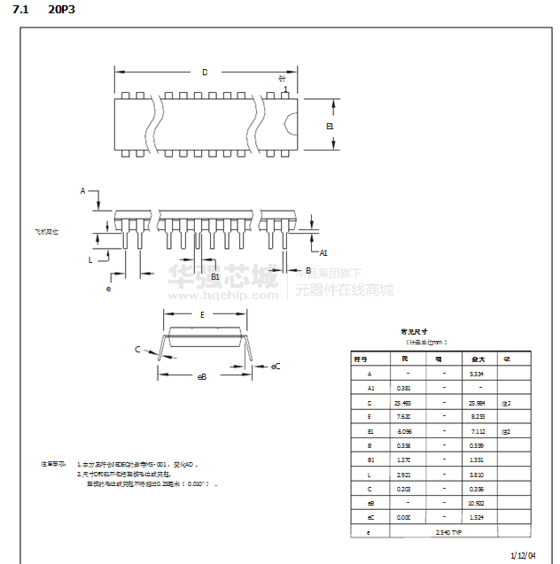
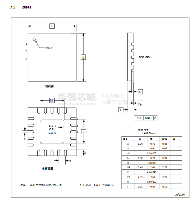
电路图、引脚图和封装图
应用案例
智控操作平台ED-PU9620带来“智慧办公”新标杆
2023-03-29
使用ATtiny2313A AVR微控制器即可实现高速读取正交编码器信号
2019-08-09
如何构建一个基于ATtiny85的LED矩阵显示器
2019-08-14
ATtiny3224/3226/3227:高性能低功耗的tinyAVR® 2系列微控制器
2025-10-15
Microchip基于ATTINY1616的触摸感应设计方案
2021-01-19
如何使用ATtiny84A微控制器构建面包板LED手表?
2023-07-19
如何制作Attiny85键盘
2019-08-26
15W充电器芯片U2313A的工作原理
2024-08-14








