ATTINY2313
8位微控制器与2K字节的系统内可编程闪存。
制造商:
产品信息
ATtiny2313的是基于AVR的低功耗8位CMOS微控制器增强的RISC架构。通过在单个时钟周期内执行强大的指令,该操作返回的数据吞吐率高达1 MIPS每MHz,从而可以系统设计师在功耗和处理速度之间。
特点:
•利用AVR®RISC架构
•AVR - 高性能和低功耗的RISC结构
- 120条指令 - 绝大多数为单时钟周期执行
- 32个8位通用工作寄存器
•全静态工作
- 高达20 MIPS的吞吐量,在20兆赫
数据和非易失性程序和数据存储器
- 对在系统自编程闪存2K字节
耐力万写/擦除周期
- 128字节的系统内可编程EEPROM
耐力:100,000写/擦除周期
- 128字节的片内SRAM
- 可以对锁定的闪存程序存储器和EEPROM数据安全
外设特性
- 一个8位定时器/计数器具有独立预分频器和比较模式
- 1个16位定时器/计数器具有独立预分频器,比较和捕获模式
- 四个PWM通道
- 片上模拟比较器
- 可编程看门狗定时器,带有片上振荡器
- USI - 通用串行接口
- 全双工USART
单片机特性
- debugWIRE的片上调试
- 在系统内通过SPI端口编程
- 外部和内部中断源
- 低功耗空闲模式,掉电模式和待机模式
- 增强型上电复位电路
- 可编程欠压检测电路
- 内部振荡器校准
I / O和封装
- 18个可编程I / O线
- 20引脚PDIP , 20引脚SOIC , 20 - QFN垫/ MLF
工作电压
- 1.8 - 5.5V ( ATtiny2313V )
- 2.7 - 5.5V ( ATtiny2313的)
速度等级
- ATtiny2313V : 0 - 4兆赫@ 1.8 - 5.5V , 0 - 10兆赫@ 2.7 - 5.5V
- 操作返回: 0 - 10兆赫@ 2.7 - 5.5V , 0 - 20兆赫@ 4.5 - 5.5V
典型功耗
•主动模式
为1 MHz ,1.8V : 230 μA
32千赫, 1.8V : 20 μA (包括振荡器)
•掉电模式
《 0.1 μA在1.8V
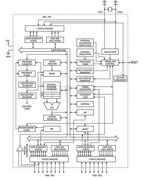
电路图、引脚图和封装图
在线购买
型号:ATTINY2313-20S>
描述:-
型号:ATTINY2313-20SUR/BKN
描述:-
型号:ATTINY2313-20SU(PROG)
描述:-
型号:ATTINY2313V-10SU SL383
描述:-
型号:ATTINY2313-20SU SL383
描述:-
型号:ATtiny2313-20MI
描述:-





