ATTINY13A-PU
8 -bit微控制器1K字节的系统内可编程闪存。
制造商:
产品信息
概述
该ATTINY13A是基于增强型RISC AVR的低功耗8位CMOS微控制器架构。通过在单个时钟周期内执行强大的指令, ATTINY13A实现数据吞吐率高达1 MIPS每MHz使系统设计师能够优化功率变消费与处理速度。
优势特点
特点
•高性能,低功耗的AVR ®8位微控制器
•先进的RISC架构
- 120条指令 - 绝大多数为单时钟周期执行
- 32个8位通用工作寄存器
•全静态工作
- 高达20 MIPS于20 MHz
高耐用性非易失性内存段
- 对在系统内可编程闪存程序存储器1K字节
- 64字节EEPROM
- 64字节的片内SRAM
- 写/擦除周期:10,000闪存/ EEPROM 100000
- 数据保存: / 20年85°C百年,在25 ° C
- 编程锁定为自编程闪存& EEPROM数据安全
外设特性
- 一个8位定时器/计数器及两条PWM通道
- 4通道, 10位ADC,内置电压基准
- 可编程看门狗定时器具有独立的片上振荡器
- 片上模拟比较器
单片机特性
- debugWIRE的片上调试系统
- 在系统内通过SPI端口编程
- 外部和内部中断源
- 低功耗空闲模式, ADC噪声抑制和掉电模式
- 增强型上电复位电路
- 可编程欠压检测电路与软件禁用功能
- 内部振荡器校准
I / O和封装
- 采用8引脚PDIP / SOIC :六个可编程I / O线
- 20 - 垫MLF :六个可编程I / O线
工作电压:
– 1.8 - 5.5V
速度等级:
- 0 - 4兆赫@ 1.8 - 5.5V
- 0 - 10兆赫@ 2.7 - 5.5V
- 0 - 20 MHz的@ 4.5 - 5.5V
工业温度范围
低功耗
- 主动模式:
• 190 μA在1.8 V和1 MHz
•空闲模式:
• 24 μA在1.8 V和1 MHz
规格参数

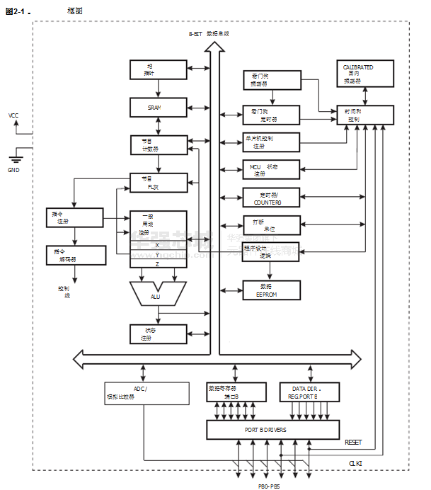
电路图、引脚图和封装图
应用案例
LTM4676双通道13A或单通道26A微型模块稳压器
2019-08-13
如何使用ATtiny84A微控制器构建面包板LED手表?
2023-07-19
国巨集团将推出两款四端分流电阻PU1216和PU2726
2025-03-14
使用ATtiny2313A AVR微控制器即可实现高速读取正交编码器信号
2019-08-09
全新SRM13A系列机型秉承“满足高速现代物流”理念为设计核心
2020-11-11
微雪电子08TN13A18060 QFN8 MLF8测试座介绍
2019-12-10
如何使用Arduino Uno编程ATTINY84-20PU
2019-11-19
如何使用Attiny13a 3S锂离子电池回收20W便携式可充电无线LED工作灯
2019-11-20








