ATTINY10-TSHR
Atmel公司的8位AVR微控制器 。
制造商:
产品信息
概述
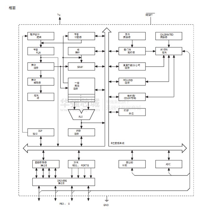
ATtiny4 / 5 /9/10低功耗CMOS基础上,小巧的AVR 8位微控制器增强型RISC architec-真实存在。通过在单个时钟周期内执行强大的指令, ATtiny4 / 5 /9/10实现吞吐量接近每兆赫1 MIPS ,使系统设计师能够优化功耗与处理速度。
特点
•高性能,低功耗的AVR ®8位微控制器
•先进的RISC架构
- 54条指令 - 绝大多数为单时钟周期执行
- 16个8位通用工作寄存器
•全静态工作
- 高达12 MIPS的吞吐量在12 MHz
非易失性程序和数据存储器
- 512/1024字节的系统内可编程闪存程序存储器的
- 32字节的片内SRAM
- 闪存写入/擦除周期:10,000
- 数据保存: 20年85oC / 100年在25oC
外设特性
- QTouch软件 ®对于电容式触摸传感( 1通道)库支持
- 1个16位定时器/计数器及两条PWM通道
- 可编程看门狗定时器具有独立的片上振荡器
- 4通道, 8位模数转换器( ATtiny5 / 10 ,只)
- 片上模拟比较器
单片机特性
- 在系统可编程(在5V,只)
- 外部和内部中断源
- 低功耗空闲模式, ADC噪声抑制和掉电模式
- 增强型上电复位电路
- 可编程的电源电压电平监视与中断和复位
- 内部振荡器校准
I / O和封装
- 四个可编程I / O线
- 6引脚SOT和8焊盘UDFN
工作电压:
– 1.8 – 5.5V
编程电压:
– 5V
速度等级
- 0 - 4兆赫@ 1.8 - 5.5V
- 0 - 8兆赫@ 2.7 - 5.5V
- 0 - 12兆赫@ 4.5 - 5.5V
工业和扩展温度范围
低功耗
- 主动模式:
• 200μA在1MHz和1.8V
•空闲模式:
• 25μA在1MHz和1.8V
- 掉电模式:
• 《 0.1μA在1.8V





