ATSAMD20E14A-MUT
基于ARM的微控制器。
制造商:
产品信息
描述
爱特梅尔®SAM D20是采用32位的A系列低功耗微控制器ARM®皮质®-M0 +处理器,以及从32位到64引脚具有高达256KB的闪存和32KB的SRAM。在SAM D20器件在48MHz的最高频率运行,达到2.14的CoreMark / MHz的。它们设计用于简单和直观的迁移相同的外设模块,十六进制兼容的代码,相同的线性地址映射和销在产品系列中的所有设备之间兼容的迁移路径。所有器件均包括智能和灵活的外设,爱特梅尔事件系统的外设之间的信号,并对于电容式触摸按钮,滑块和滚轮的用户界面支持。
特点
处理器
在高达48MHz的运行的ARM Cortex -M0 + CPU
单周期硬件乘法器
回忆
16位/ 32 /64/ 128 / 256KB的系统内可编程的Flash
2/4 /8/16 / 32KB SRAM
系统
上电复位( POR)和掉电检测( BOD )
以48MHz的数字频率锁定环路内部和外部时钟选项( DFLL48M )
外部中断控制器( EIC )
16个外部中断
一个不可屏蔽中断
两针串行线调试( SWD )的编程,测试和调试接口
低功耗
空闲和待机睡眠模式
梦游外设
外设
8通道事件系统
多达8个16位定时器/计数器( TC ) ,可配置为:
一个16位的TC与比较/捕获通道
一个8位的TC与比较/捕获通道
一个32位的TC与比较/捕获通道,通过使用两个热带气旋
32位实时计数器( RTC )时钟/日历功能
看门狗定时器( WDT )
CRC-32发生器
多达六个串行通信接口(串口) ,每个可配置工作为:
USART的全双工和单线半双工配置I2C至400kHz的SPI
一个12位, 350ksps模拟数字转换器( ADC ),具有多达20个频道
差分和单端通道
1 / 2倍至16倍的增益级
自动偏移和增益误差补偿
过采样和抽取的硬件来支持13- , 14- , 15-和16 -bit分辨率
10位, 350ksps数位类比转换器( DAC )
两个模拟比较器,窗口比较功能
外设触摸控制器( PTC )
256通道电容式触摸和接近感应
I / O
多达52个可编程I / O引脚
套餐
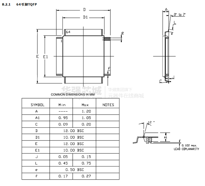
64引脚TQFP , QFN
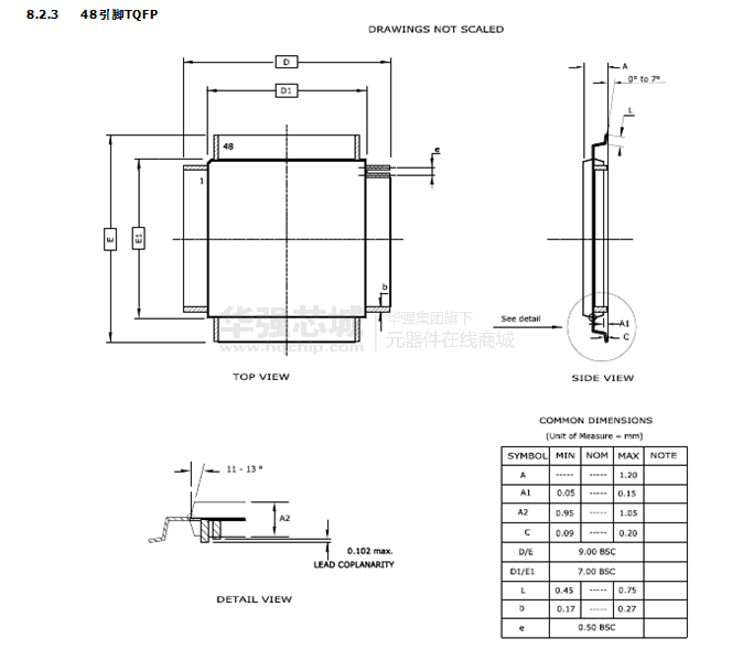
48引脚TQFP , QFN
32引脚TQFP , QFN
工作电压
1.62V – 3.63V
耗电量
下降到70μA / MHz的主动模式
下到8μA运行外设触摸控制器
电路图、引脚图和封装图
在线购买
型号:ATSAMD20E14A-MUT
描述:-







