ATSAM3A4CA-AU
AT91SAM基于ARM的闪存微控制器。
制造商:
产品信息
特点
•CORE
- ARM®皮质®
-M3修订2.0以高达84 MHz的运行
- 存储器保护单元( MPU )
- 拇指®
-2指令集
- 24位系统定时器计数器
- 嵌套向量中断控制器回忆
- 从256到512 KB的嵌入式闪存, 128位宽的存取,内存加速器,双行
- 从32到100千字节与银行的双嵌入式SRAM
- 16K字节ROM与嵌入式引导程序例程( UART , USB)和IAP例程
- 静态存储控制器( SMC ) : SRAM , NOR , NAND支持。 NAND闪存
控制器具有4 KB的RAM缓存和ECC系统
- 用于单电源工作的嵌入式稳压器
- POR , BOD和看门狗安全复位
- 石英或陶瓷谐振器振荡器: 3〜20 MHz的主,可选低功耗
32.768千赫的RTC或设备的时钟。
- 高精度8/12 MHz的工厂调整为4 MHz的默认内部RC振荡器
频率快速启动装置
- 慢速时钟内部RC振荡器适用于低功率器件的时钟永久时钟模式
- 一个PLL的器件时钟,一个专用PLL为USB 2.0高速迷你主机/设备
•温度传感器
- 多达17个外设DMA ( PDC )通道和6通道DMA中央加
专用DMA用于高速USB迷你主机/设备和以太网MAC
低功耗模式
- 睡眠和备份模式,下至2.5 μA的备份模式。
- 备份域: VDDBU引脚, RTC , 8个32位寄存器的备份
- 超低功耗RTC外设
- USB 2.0设备/迷你主机: 480 Mbps的4 KB的FIFO ,最多10双向
终端,专用DMA
- 多达4个USART ( ISO7816 ,红外线®,流量控制, SPI ,曼彻斯特和LIN支持)和一个UART
- 2 TWI (兼容I2C ) ,最多6个SPI ,1个SSC( I2S) , 1 HSMCI (SDIO / SD / MMC)具有高达2个插槽
- 9通道32位定时器/计数器( TC ),用于捕获,比较和PWM模式,
正交解码器逻辑和2位格雷向上/向下计数器步进电机
- 多达8通道的16位PWM ( PWMC )具有互补输出,故障输入, 12
位死区时间发生器计数器电机控制
- 32位实时定时器( RTT)和RTC与日历和闹钟功能
- 16通道12位1Msps的ADC使用差分输入模式和可编程增益舞台
- 一个2通道12位1 MSPS DAC
- 一个以太网10/100 MAC ( EMAC )与专用DMA
- 两者可以有八个邮箱控制器
- 一个真正的随机数发生器( TRNG )
- 写保护寄存器I / O
- 高达103 I / O线和外部中断功能(边沿或电平敏感) ,
去抖动,毛刺滤波和上模系列终端电阻
- 最多6个32位并行输入/输出( PIO )套餐
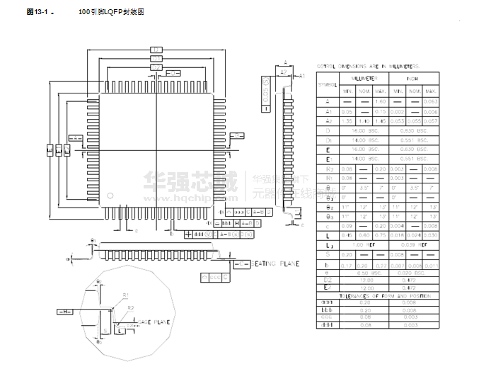
- 100引脚LQFP封装, 14 ×14毫米,间距0.5毫米
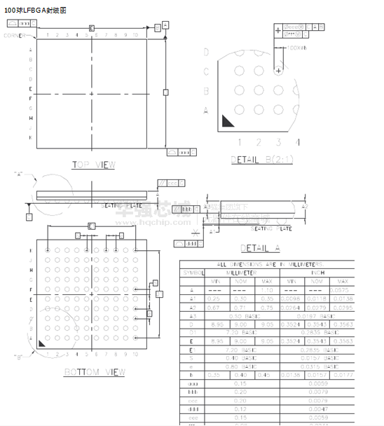
- 100球LFBGA , 9 ×9毫米,间距0.8毫米
- 144引脚LQFP封装, 20 ×20毫米,间距0.5毫米
- 144球LFBGA , 10 ×10毫米,间距0.8毫米
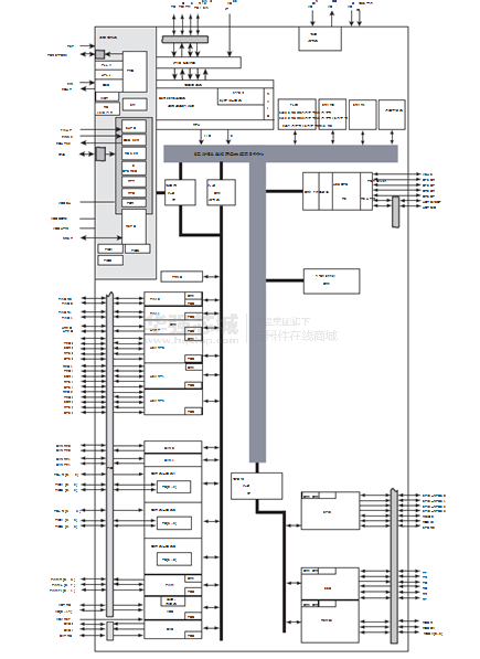
电路图、引脚图和封装图
在线购买
型号:ATSAM3A4CA-AU
描述:-
应用案例
CA3140A 4.5MHz、BiMOS运算放大器应用笔记
2025-02-24
5G DL 3CC CA下行速率不达预期的原因分析
2025-10-22
正式发布!PPEC-86CA3A移相全桥控制芯片,样片申请开启
2022-11-07
5.0SMDJ100A 单向TVS管厂家 现货直供
2022-09-24
解析Littelfuse L4CA 0612系列电流检测电阻:性能、特性与应用
2025-12-16
CA证书是什么?CA证书小科普
2023-01-29
正式发布!PPEC-86CA3A移相全桥控制芯片,样片申请开启
2022-11-07
5.0SMDJ100A 单向TVS管厂家 现货直供
2022-09-24





