ATMEGA8A
具有8KB系统内可编程 Flash的8位AVR®微处理器
制造商:
产品信息
ATmega8 是ATMEL公司在2002年第一季度推出的一款新型AVR高档单片机。是一种非常特殊的单片机,采用了小引脚封装。
ATmega8 有2个具有比较模式的带预分频器( Separate Prescale)的 8位定时/计数器。1个带预分频器(SeParat Prescale),具有比较和捕获模式的 16位定时/计数器。
优势特点
ATmega8A主要特性如下:
高性能、低功耗的8位AVR®微处理器
高级RISC 结构
130条指令 – 大多数指令执行时间为单个时钟周期
32个8位通用工作寄存器
全静态工作
工作在16MHz时吞吐量高达16MIPS
片内2周期乘法器
高耐久度非易失性存储器
通过片内引导程序在系统编程
真正的“边写边读”操作
擦写寿命: 100,000次
擦写寿命: 10,000次
8K字节的在系统可自编程Flash程序存储器
512字节EEPROM
1K字节的片内SRAM
数据保存:20年@85℃/100年@25℃
带有独立锁定位的引导程序区
可以对锁定位进行编程以及实现EEPROM数据的加密
外设特点
具有独立片内振荡器的可编程看门狗定时器
片内模拟比较器
8路10位精度
8路10位精度
2个具有独立预分频和比较模式的8位定时器/计数器
1个具有预分频、比较模式和捕捉模式的16位定时器/计数器
带有独立晶振的实时计时器
3路PWM通道
8路ADC(TQFP, QFN/MLF32)
6路ADC(PDIP)
基于字节的2-wire串行接口
可编程串行USART
主/从SPI串行接口
特殊的处理器特点
上电复位和可编程掉电检测
片内RC基准晶振
片内/片外中断源
12个引脚中断源
5种睡眠模式:空闲模式、ADC噪声抑制模式、省电模式、掉电模式、和待机模式
规格参数
I/O和封装
23个可用I/O口
PDIP28, TQFP32, QFN/MLF32
工作电压:
2.7 - 5.5V for ATmega8A
速度等级
0-16 MHz for ATmega8A
低功耗@4 Mhz, 3V, 25℃
正常模式:3.6 mA
空闲模式:1.0 mA
掉电模式:0.5μA
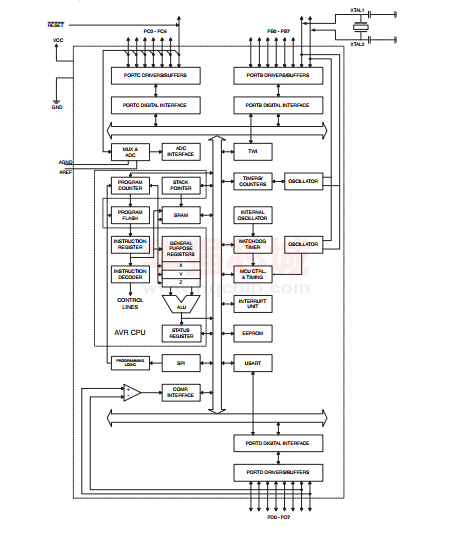
电路图、引脚图和封装图
在线购买
型号:ATMEGA8A-PU 管装
描述:-
型号:ATMEGA8B-20AU
描述:-
型号:ATMEGA88PA-MU(PROG)
描述:-
型号:ATMEGA88PA-10MUR-PROG
描述:-
型号:ATMEGA88V-10MU_SL237
描述:-
型号:ATMEGA8L-8MUSL602
描述:-







