ATMEGA8535-16AU
8位Microcontrolle具有8K字节的系统内可编程闪存。
制造商:
产品信息
概述
该ATmega8535的是基于AVR的低功耗8位CMOS微控制器增强的RISC架构。通过在一个单一的时钟周期执行的指令,所述ATmega8535的数据吞吐率高达1 MIPS每MHz,从而可以系统设计师在功耗和处理速度之间。
特点
•高性能,低功耗的AVR ®8位微控制器
•先进的RISC架构
- 130条指令 - 绝大多数为单时钟周期执行
- 32个8位通用工作寄存器
•全静态工作
- 高达16 MIPS的吞吐量,在16兆赫
- 片上2周期乘法器
非易失性程序和数据存储器
- 对在系统内可编程的Flash 8K字节
耐力:10,000写/擦除周期
- 可选Boot代码区具有独立锁定位
在系统编程通过片上引导程序
真正的同时读 - 写操作
- 512字节EEPROM
耐力:100,000写/擦除周期
- 512字节的片内SRAM
- 可以对锁定的软件安全
外设特性
- 两个8位定时器/计数器具有独立预分频器和比较模式
- 1个16位定时器/计数器具有独立预分频器,比较功能和捕捉
模式
- 实时计数器具有独立振荡器
- 四个PWM通道
- 8通道, 10位ADC
8个单端通道
7个差分通道的TQFP封装
2个差分通道具有可编程增益1倍, 10倍, 200倍或为TQFP
包只
- 面向字节的两线串行接口
- 可编程的串行USART
- 主/从SPI串行接口
- 可编程看门狗定时器具有独立的片上振荡器
- 片上模拟比较器
单片机特性
- 上电复位和可编程欠压检测
- 内部标定RC振荡器
- 外部和内部中断源
- 六个睡眠模式:空闲模式, ADC噪声抑制,省电,掉电,待机
和扩展Standby
I / O和封装
- 32个可编程I / O线
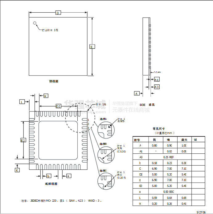
- 40引脚PDIP , 44引脚TQFP封装, 44引脚PLCC和44 - QFN垫/ MLF
工作电压
- 2.7 - 5.5V的ATmega8535L
- 4.5 - 5.5V的ATmega8535的
速度等级
- 0 - 8兆赫ATmega8535L
- 0 - 16 MHz时为ATmega8535的
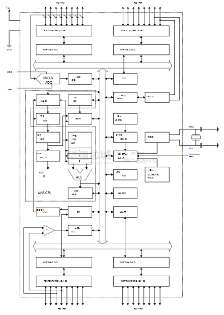
电路图、引脚图和封装图
应用案例
如何为Atmega16或Atmega32处理器开发自己的开发板
2019-09-30
基于ATmega8535型单片机实现图形点阵式液晶显示系统的设计
2021-03-16
基于ATmega8535型单片机和T6963C控制器实现图形点阵式液晶显示设计
2021-03-17
基于ATmega8535的机器人的电路图
2022-06-17
利用ATmega16和nRF905芯片实现无线数据传输系统的设计方案
2020-01-16
场效应管的类型该如何识别?
2017-07-01
以ATMEGA16单片机为主控制芯片的平衡电动车设计
2018-07-24
采用Atmega 16L为核心实现底片自动定位系统的设计
2019-01-10








