ATMEGA644
8位微控制器,带有64K字节的系统内可编程闪存
制造商:
产品信息
在ATmega644是基于增强型RISC AVR的低功耗8位CMOS微控制器架构。通过在单个时钟周期内执行强大的指令, ATmega644的数据吞吐率高达1 MIPS每MHz使系统设计师能够优化功耗和处理速度之间。
特点:
高性能,低功耗爱特梅尔®AVR®8位微控制器
先进的RISC架构
- 131条指令 - 绝大多数为单时钟周期执行
- 32 × 8个通用工作寄存器
•全静态工作
- 高达20 MIPS的吞吐量,在20兆赫
高耐用性非易失性内存段
- 64K字节的系统内自编程闪存程序存储器
- 2 KB的EEPROM
- 4K字节内部SRAM
- 写/擦除个循环:10,000闪存/ EEPROM 100000
(1)(3)
- 数据保存: / 20年85°C百年,在25℃
(2)(3)
- 可选Boot代码区具有独立锁定位
在系统编程通过片上引导程序
真正的同时读 - 写操作
- 可以对锁定的软件安全
JTAG ( IEEE 1149.1标准兼容)接口
- 边界扫描功能根据JTAG标准
- 广泛的片上调试支持
- 对Flash , EEPROM ,熔丝位和锁定位通过JTAG接口编程
外设特性
- 两个8位定时器/计数器具有独立预分频器和比较模式
- 1个16位定时器/计数器具有独立预分频器,比较功能和捕捉
模式
- 实时计数器具有独立振荡器
- 六个PWM通道
- 8通道, 10位ADC
差分模式下,可选择增益为1倍, 10倍或200倍
- 面向字节的两线串行接口
- 一个可编程的串行USART
- 主/从SPI串行接口
- 可编程看门狗定时器具有独立的片上振荡器
- 片上模拟比较器
- 中断和唤醒引脚电平变化
单片机特性
- 上电复位和可编程欠压检测
- 内部标定RC振荡器
- 外部和内部中断源
- 六个睡眠模式:空闲模式, ADC噪声抑制,省电,掉电,待机
和扩展Standby
I / O和封装
- 32个可编程I / O线
- 40引脚PDIP , 44引脚TQFP和44 - QFN垫/ MLF
速度等级
- ATmega644V : 0 - 4兆赫@ 1.8V - 5.5V , 0 - 10 MHz的@ 2.7V - 5.5V
- ATmega644 : 0 - 10 MHz的@ 2.7V - 5.5V , 0 - 20 MHz的@ 4.5V - 5.5V
功耗在1 MHz , 3V , 25⋅C
- 活动: 240 μA @ 1.8V , 1兆赫
- 掉电模式: 0.1 μA @ 1.8V
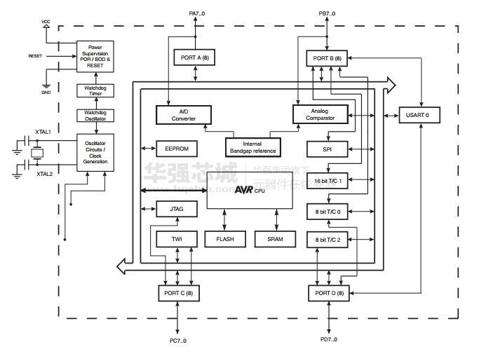
电路图、引脚图和封装图
在线购买
型号:ATMEGA644PA-AU 托盘
描述:-
型号:ATMEGA644PA-MU!SL383
描述:-
型号:ATMEGA644V-10AU-T
描述:-
型号:ATMEGA644P-20PU-RET
描述:-
型号:ATMEGA644PA-AU SL383
描述:-
型号:ATMEGA644P-20M>
描述:-
技术资料
应用案例
Atmel ATmega644P/V 8位AVR微控制器深度剖析
2026-03-06
Texas Instruments LM644A2QEVM-S2100T 评估模块(EVM)数据手册
2025-07-16
如何对带有ATMEGA644P或1284P的Arduino板进行DIY
2019-11-19
什么是树莓派?树莓派是什么架构的
2024-10-23
基于ATmega1284P8 位 MCU 运行Linux
2020-03-27
满血版GTX 480重现国内 整机功耗最高可达644瓦
2020-03-30
ATMEGA328芯片解密成功爱特梅尔单片机解密描述
2022-10-09
利用Atmega328构建Arduino板并进行编程
2022-09-24





