ATMEGA48-20AUR
8位微控制器具有8K字节的系统内可编程闪存。
制造商:
产品信息
描述
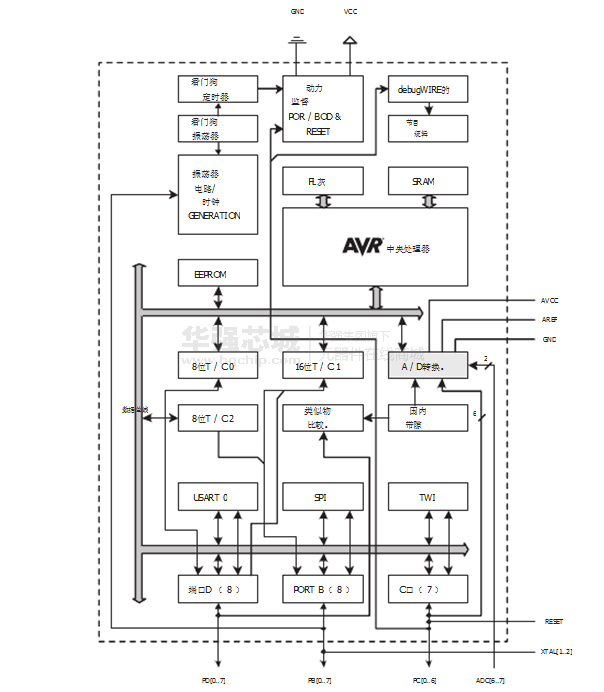
ATmega48 / 88/168是基于AVR增强型低功耗8位CMOS微控制器RISC架构。通过在一个单一的时钟周期执行功能强大的指令,所述的ATmega48 / 88/168的数据吞吐率高达1 MIPS每MHz,从而可以系统设计师在功耗和处理速度之间。
特点
•高性能,低功耗的AVR ®8位微控制器
•先进的RISC架构
- 131条指令 - 绝大多数为单时钟周期执行
- 32个8位通用工作寄存器
•全静态工作
- 高达20 MIPS的吞吐量,在20兆赫
- 片上2周期乘法器
高耐用性非易失性内存段
- 4/8 / 。在系统内可编程闪存程序存储器16K字节
- 256/512/512字节的EEPROM
- 512 / 1K / 1K字节的片内SRAM
- 写/擦除个循环:10,000闪存/ EEPROM 100000
- 数据保存: / 20年85°C百年,在25℃
- 可选Boot代码区具有独立锁定位
在系统编程通过片上引导程序
真正的同时读 - 写操作
- 可以对锁定的软件安全
外设特性
- 两个8位定时器/计数器具有独立预分频器和比较模式
- 1个16位定时器/计数器具有独立预分频器,比较功能和捕捉模式
- 实时计数器具有独立振荡器
- 六个PWM通道
- 8通道10位ADC的TQFP和QFN / MLF封装
- 6通道10位ADC PDIP封装
- 可编程的串行USART
- 主/从SPI串行接口
- 面向字节的两线串行接口(飞利浦的我2C兼容)
- 可编程看门狗定时器具有独立的片上振荡器
- 片上模拟比较器
- 中断和唤醒引脚电平变化
单片机特性
- 上电复位和可编程欠压检测
- 内部振荡器校准
- 外部和内部中断源
- 五种睡眠模式:空闲模式, ADC噪声抑制,省电,掉电和待机
I / O和封装
- 23可编程I / O线
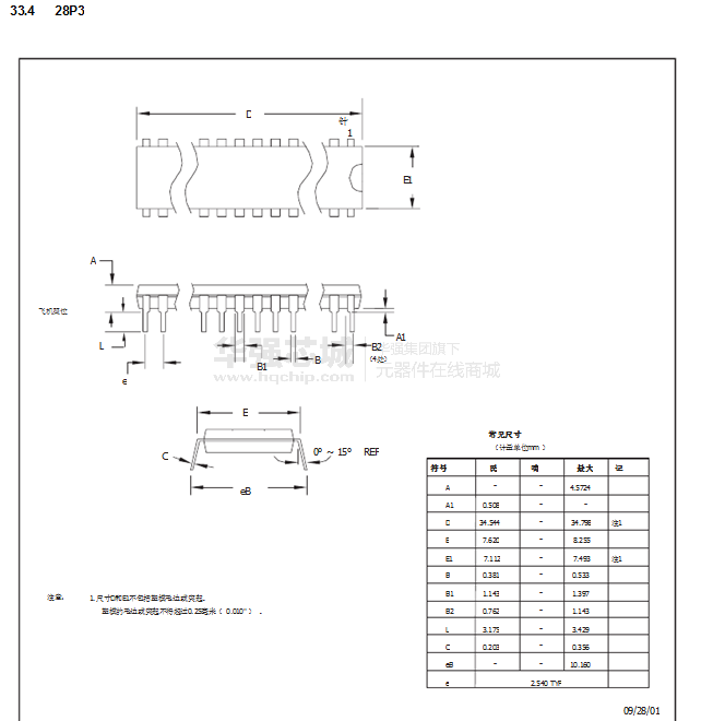
- 28引脚PDIP , 32引脚TQFP封装, 28 - QFN垫/ MLF以及32垫QFN / MLF
工作电压:
- 1.8 - 5.5V的ATMEGA48V / 88V / 168V
- 2.7 - 5.5V的的ATmega48 / 88/168
温度范围:
– -40°C至85°C
速度等级:
- ATMEGA48V / 88V / 168V : 0 - 4兆赫@ 1.8 - 5.5V , 0 - 10兆赫@ 2.7 - 5.5V
- 的ATmega48 / 88/168 : 0 - 10兆赫@ 2.7 - 5.5V , 0 - 20兆赫@ 4.5 - 5.5V
低功耗
- 主动模式:
250 μA在1 MHz , 1.8V
15 μA在32kHz , 1.8V (包括振荡器)
- 掉电模式:
0.1μA在1.8V
电路图、引脚图和封装图
在线购买
型号:ATMEGA48A-AURSL044
描述:-
型号:ATMEGA48V-10MURSL044
描述:-
型号:ATMEGA48A-AUR-SL040
描述:-
型号:ATMEGA48A-AU-SL040
描述:-
型号:ATMEGA48V-10MU-SL040
描述:-
型号:ATMEGA48V-10MUR-SL040
描述:-
应用案例
基于ATMEGA48单片机的仪表步进电机的细分控制
2016-01-25
基于Atmel QTouch的ATmega48感应按键设计
2016-01-25
用ATmega16驱动的LCD2004的源程序(avr)
2016-01-25
谷歌眼镜更名为Project Aura,新一代的智能眼镜
2016-01-25
基于ATMEGA48和DS1302芯片实现时钟数据采集和定时控制系统的设计
2020-06-26
AURIX与IDPS打造集成化网络安全解决方案
2016-01-25
atmega48单片机特性 atmega48的低功耗设计
2016-01-25
采用Atmega48单片机进行光强度数显器的设计
2018-11-13









