ATMEGA32U2-AU
8位微控制器具有ISP功能的Flash和USB控制器8/16 / 32K字节。
制造商:
产品信息
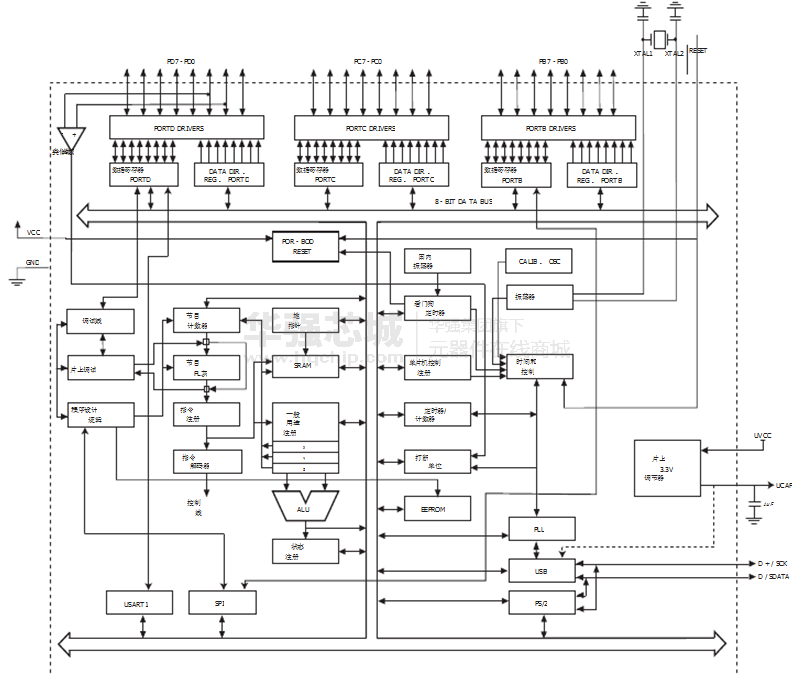
该ATmega8U2 / 16U2 / 32U2是一款基于AVR的低功耗8位CMOS微控制器增强的RISC架构。通过在单个时钟周期内执行强大的指令, ATmega8U2 / 16U2 / 32U2的数据吞吐率每MHz 1 MIPS使系统设计师能够优化功耗和处理速度之间。
特点
•高性能,低功耗的AVR®8位微控制器
•先进的RISC架构
- 125条指令 - 绝大多数为单时钟周期执行
- 32个8位通用工作寄存器
•全静态工作
- 高达16 MIPS的吞吐量,在16兆赫
•非易失性程序和数据存储器
- 8K /系统内的16K / 32K字节的自编程闪存
- 512/512/1024 EEPROM
- 512/512/1024内部SRAM
- 写/擦除周期:10,000闪存/ EEPROM 100000
- 数据保存: / 20年85°C百年,在25℃
- 可选Boot代码区具有独立锁定位
在系统编程通过片上引导程序后,硬件激活
RESET
真正的同时读 - 写操作
- 可以对锁定的软件安全
•与中断传输完成的USB 2.0全速设备模块
- 通用串行总线规范2.0版,完全符合
- 48 MHz的PLL全速总线操作:在12 Mbit / s的数据传输速率
- 完全独立的176字节USB双口RAM的端点内存分配
- 端点0为控制传输:从8至64个字节
- 4可编程端点:
IN或OUT方向
批量,中断和IsochronousTransfers
从8到64个字节的可编程最大包大小
可编程单或双缓冲
- 挂起/恢复中断
- 在USB总线复位单片机复位不分离
- 对微控制器的要求USB总线断开
•外设特性
- 一个8位定时器/计数器具有独立预分频器和比较模式(两个8位
PWM通道)
- 1个16位定时器/计数器具有独立预分频器,比较和捕获模式
( 3个8位PWM通道)
- USART与SPI主模式只和硬件流控制( RTS / CTS )
- 主/从SPI串行接口
- 可编程看门狗定时器具有独立的片上振荡器
- 片上模拟比较器
- 中断和唤醒引脚电平变化
•片上调试接口( debugWIRE的)
•单片机特性
- 上电复位和可编程欠压检测
- 内部振荡器校准
- 外部和内部中断源
- 五种休眠模式:空闲模式,省电模式,掉电,待机和扩展Standby
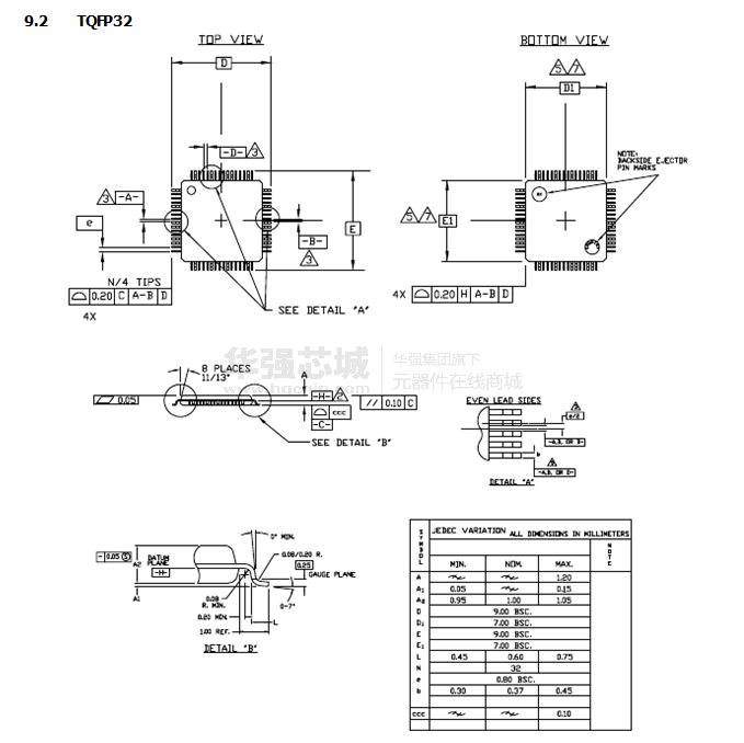
•I / O和封装
- 22可编程I / O线
- QFN32 ( 5x5毫米) / TQFP32封装
•工作电压
– 2.7 - 5.5V
•工作温度=工业( -40 ° C至+ 85°C )
•最大频率
- 8兆赫在2.7V - 工业范围
- 为16 MHz在4.5V - 工业范围





