ATMEGA32L-8AU
8位AVR微控制器具有32K字节的系统内可编程闪存。
制造商:
产品信息
描述
ATmega32的是基于AVR的低功耗8位CMOS微控制器增强的RISC架构。通过在一个单一的时钟周期执行功能强大的指令,所述ATmega32的数据吞吐率高达1 MIPS每MHz,从而可以系统设计师在功耗和处理速度之间。
特点
•高性能,低功耗的AVR ®8位微控制器
•先进的RISC架构
- 131条指令 - 绝大多数为单时钟周期执行
- 32个8位通用工作寄存器
•全静态工作
- 高达16 MIPS的吞吐量,在16兆赫
- 片上2周期乘法器
非易失性程序和数据存储器
- 对在系统内可编程闪存32K字节
耐力:10,000写/擦除周期
- 可选Boot代码区具有独立锁定位
在系统编程通过片上引导程序
真正的同时读 - 写操作
- 1024字节的EEPROM
耐力:100,000写/擦除周期
- 2K字节内部SRAM
- 可以对锁定的软件安全
JTAG ( IEEE 1149.1标准兼容)接口
- 边界扫描功能根据JTAG标准
- 广泛的片上调试支持
- 对Flash , EEPROM ,熔丝位和锁定位通过JTAG接口编程
外设特性
- 两个8位定时器/计数器具有独立预分频器和比较模式
- 1个16位定时器/计数器具有独立预分频器,比较功能和捕捉
模式
- 实时计数器具有独立振荡器
- 四个PWM通道
- 8通道, 10位ADC
8个单端通道
在TQFP封装,只有7个差分通道
2个差分通道具有可编程增益1倍, 10倍, 200倍或
- 面向字节的两线串行接口
- 可编程的串行USART
- 主/从SPI串行接口
- 可编程看门狗定时器具有独立的片上振荡器
- 片上模拟比较器
单片机特性
- 上电复位和可编程欠压检测
- 内部标定RC振荡器
- 外部和内部中断源
- 六个睡眠模式:空闲模式, ADC噪声抑制,省电,掉电,待机和扩展Standby
I / O和封装
- 32个可编程I / O线
- 40引脚PDIP , 44引脚TQFP和44 - QFN垫/ MLF
工作电压
- 2.7 - 5.5V的ATmega32L
- 4.5 - 5.5V的ATmega32的
速度等级
- 0 - 8兆赫ATmega32L
- 0 - 16兆赫的ATmega32的
功耗在1 MHz , 3V , 25℃ ATmega32L
- 活动: 1.1毫安
- 空闲模式: 0.35毫安
- 掉电模式: 《 1 μA
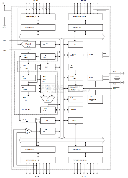
电路图、引脚图和封装图
技术资料
应用案例
STM32L0系列MCU可以稳定工作在125度环境,并保持同类最低功耗
2016-09-09
STM32L152和S14432的无线网络系统设计
2016-09-09
Atmel ATmega640/V - 1280/V - 1281/V - 2560/V - 2561/V:高性能2026-02-06
ST扩增STM32L4微控制器系列
2016-09-09
微控制器STM32L系列(ST)
2016-09-09
Mouser供货STMicroelectronics超低功耗STM32L4微控制器
2016-09-09
STM32L496xx系列超低功耗32位ARM MCU开发方案
2019-05-01
大联大友尚集团推出ST新款高性能STM32L4系列微控制器
2016-09-09






