ATMEGA32A-MU
8位微控制器,带有32K字节的系统内可编程闪存。
制造商:
产品信息
描述
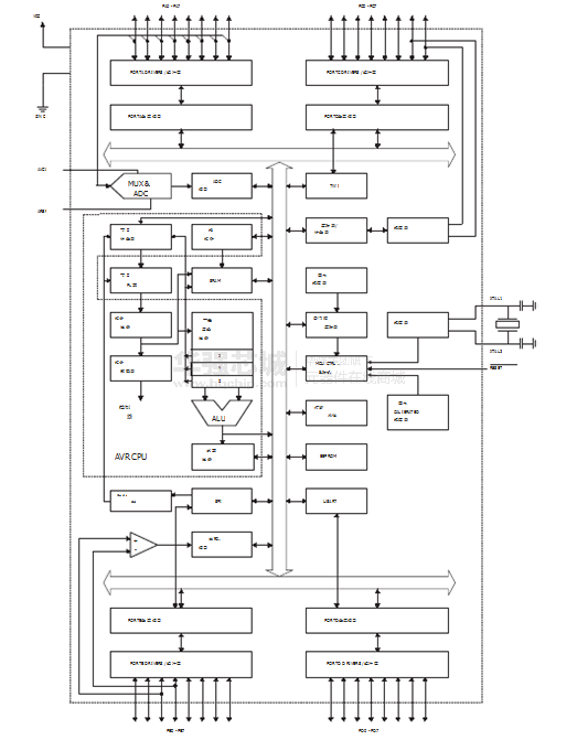
该ATmega32A是基于增强型RISC AVR的低功耗8位CMOS微控制器架构。通过执行在单个时钟周期有力的指示,所述ATmega32A的数据吞吐率高达1 MIPS每MHz使系统设计师能够优化功耗和处理速度之间。
特点
•高性能,低功耗的AVR ®8位微控制器
•先进的RISC架构
- 131条指令 - 绝大多数为单时钟周期执行
- 32个8位通用工作寄存器
•全静态工作
- 高达16 MIPS的吞吐量,在16兆赫
- 片上2周期乘法器
•高耐用性非易失性内存段
- 对在系统内可编程闪存程序存储器32K字节
- 1024字节的EEPROM
- 2K字节内部SRAM
- 写/擦除周期:10,000闪存/ EEPROM 100000
- 数据保存: / 20年85°C百年,在25℃
- 可选Boot代码区具有独立锁定位
•在系统编程通过片上引导程序
•真正的同时读 - 写操作
- 可以对锁定的软件安全
•JTAG ( IEEE 1149.1标准兼容)接口
- 边界扫描功能根据JTAG标准
- 广泛的片上调试支持
- 对Flash , EEPROM ,熔丝位和锁定位通过JTAG接口编程
•外设特性
- 两个8位定时器/计数器具有独立预分频器和比较模式
- 1个16位定时器/计数器具有独立预分频器,比较功能和捕捉
模式
- 实时计数器具有独立振荡器
- 四个PWM通道
- 8通道, 10位ADC
• 8个单端通道
• 7 TQFP封装差分通道
•2个差分通道可编程增益1倍, 10倍, 200倍或
- 面向字节的两线串行接口
- 可编程的串行USART
- 主/从SPI串行接口
- 可编程看门狗定时器具有独立的片上振荡器
- 片上模拟比较器
•单片机特性
- 上电复位和可编程欠压检测
- 内部标定RC振荡器
- 外部和内部中断源
- 六个睡眠模式:空闲模式, ADC噪声抑制,省电,掉电,待机和扩展Standby
•I / O和封装
- 32个可编程I / O线
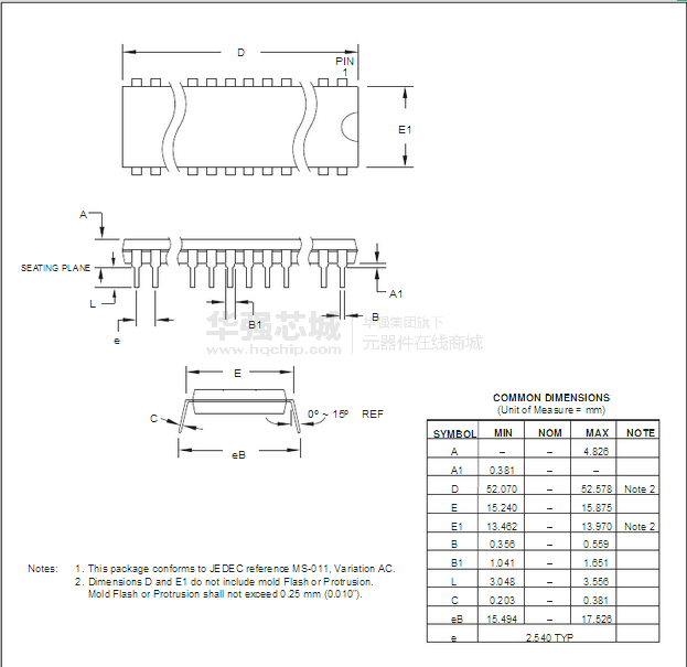
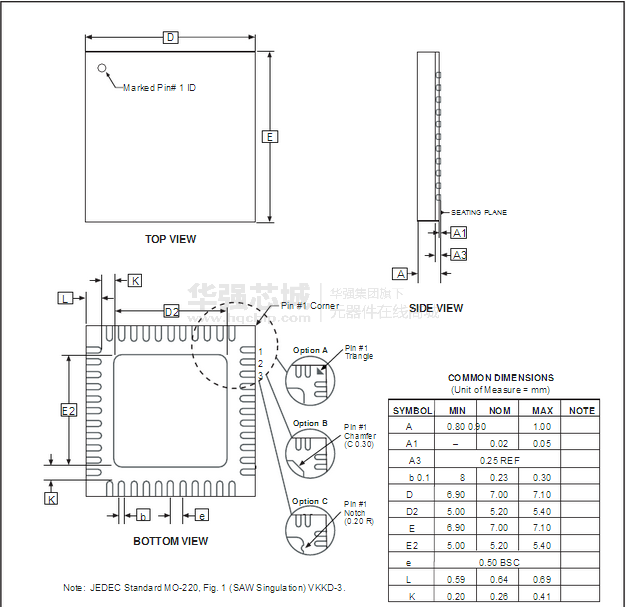
- 40引脚PDIP , 44引脚TQFP和44 - QFN垫/ MLF
•工作电压
- 2.7 - 5.5V的ATmega32A
•速度等级
- 0 - 16 MHz时为ATmega32A
•功耗在1 MHz , 3V , 25℃ ATmega32A
- 活动: 0.6毫安
- 空闲模式: 0.2毫安
- 掉电模式: 《 1 μA






