ATMEGA329PA-AU
爱特梅尔ATmega169A / 169PA / 329A / 329PA / 3290A / 3290PA / 649A / 649P / 6490A / 6490P是一款低功耗8位CMOS微控制器基于爱特梅尔®AVR®增强的RISC架构。
制造商:
产品信息
特点
高性能,低功耗爱特梅尔®AVR®
8位微控制器
先进的RISC架构
- 130条指令 - 绝大多数为单时钟周期执行
- 32 × 8个通用工作寄存器
•全静态工作
- 高达16MIPS的吞吐量at16MHz (爱特梅尔ATmega169A / 169PA / 649A / 649P )
- 高达20 MIPS的吞吐量在20MHz (爱特梅尔ATmega329A / 329PA / 3290A / 3290PA / 6490A / 6490P )
- 片上2周期乘法器
高耐用性非易失性内存段
- 在系统内可编程的Flash程序存储器
• 16K字节(爱特梅尔ATmega169A / ATmega169PA )
• 32K字节(爱特梅尔ATmega329A / ATmega329PA / ATmega3290A / ATmega3290PA )
• 64K字节(爱特梅尔ATmega649A / ATmega649P / ATmega6490A / ATmega6490P )
非易失性存储器EEPROM
• 512字节( ATmega169A / ATmega169PA )
• 1Kbytes ( ATmega329A / ATmega329PA / ATmega3290A / ATmega3290PA )
• 2K字节( ATmega649A / ATmega649P / ATmega6490A / ATmega6490P )
•内部SRAM
• 1Kbytes ( ATmega169A / ATmega169PA )
• 2K字节( ATmega329A / ATmega329PA / ATmega3290A / ATmega3290PA )
• 4K字节( ATmega649A / ATmega649P / ATmega6490A / ATmega6490P )
- 写/擦除个循环:10,000闪存/ EEPROM 100000
- 数据保存: / 20年85°C百年,在25℃
- 可选Boot代码区具有独立锁定位
•在系统编程通过片上引导程序
•真正的同时读 - 写操作
- 可以对锁定的软件安全
爱特梅尔的QTouch®库支持
- 电容式触摸按钮,滑块和滑轮
- 爱特梅尔的QTouch和QMatrix采集
- 多达64个感测通道
JTAG ( IEEE 1149.1标准兼容)接口
- 边界扫描功能根据JTAG标准
- 广泛的片上调试支持
- 对Flash , EEPROM ,熔丝位和锁定位通过JTAG接口编程
外设特性
- 4 × 25段LCD驱动器
(ATmega169A/ATmega169PA/ATmega329A/ATmega329PA/ATmega649A/ATmega649P)
- 4 × 40段LCD驱动器( ATmega3290A / ATmega3290PA / ATmega6490A / ATmega6490P )
- 两个8位定时器/计数器具有独立预分频器和比较模式
- 1个16位定时器/计数器具有独立预分频器,比较功能和捕捉模式
- 实时计数器具有独立振荡器
- 四个PWM通道
- 8通道, 10位ADC
- 可编程的串行USART
- 主/从SPI串行接口
- 与启动条件检测器的通用串行接口
- 可编程看门狗定时器具有独立的片上振荡器
- 片上模拟比较器
- 中断和唤醒引脚电平变化
单片机特性
- 上电复位和可编程欠压检测
- 内部振荡器校准
- 外部和内部中断源
- 五种睡眠模式:空闲模式, ADC噪声抑制,省电,掉电和待机
I / O和封装
- 54/69可编程I / O线
- 一百分之六十四引脚TQFP , 64焊盘QFN / MLF ,和64-垫DRQFN
速度等级:
- ATmega169A / 169PA / 649A / 649P :
• 0 - 16MHz的@ 1.8 - 5.5V
- ATmega3290A / 3290PA / 6490A / 6490P :
• 0 - 20MHz的@ 1.8 - 5.5V
温度范围:
- -40 ° C至85°C工业
超低功耗( picoPower技术®设备)
- 主动模式:
•为1MHz , 1.8V : 215μA
•为32kHz , 1.8V : 8μA (包括振荡器)
•为32kHz , 1.8V : 25μA (包括振荡器和LCD)
- 掉电模式:
• 0.1μA在1.8V
- 省电模式:
• 0.6μA ,在1.8V (含32kHz的RTC )
• 750nA在1.8V
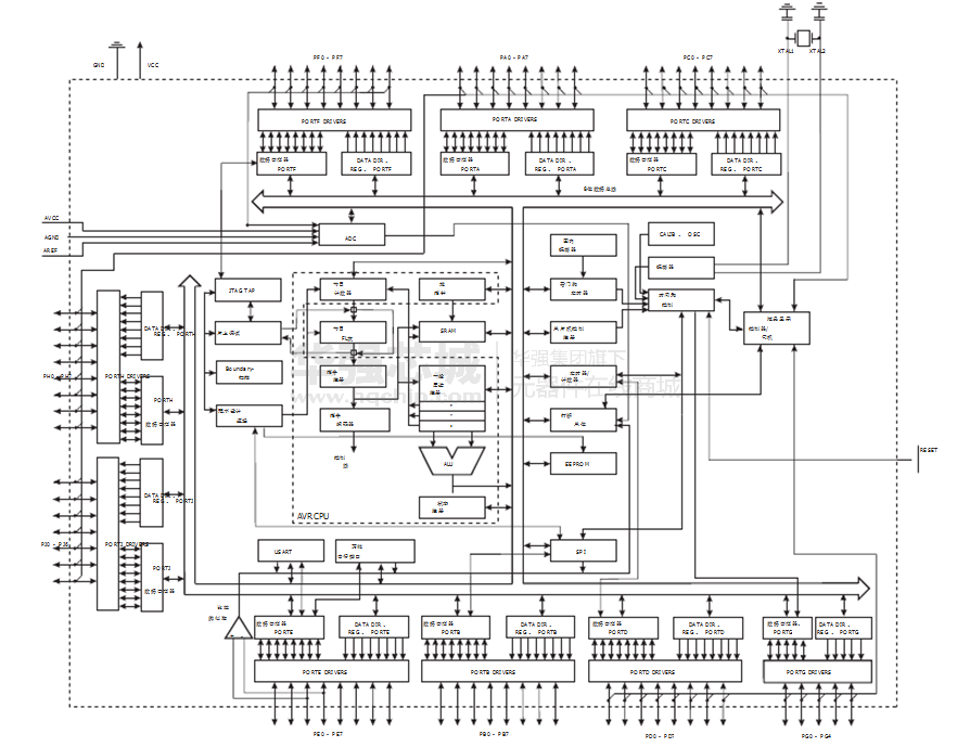
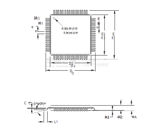
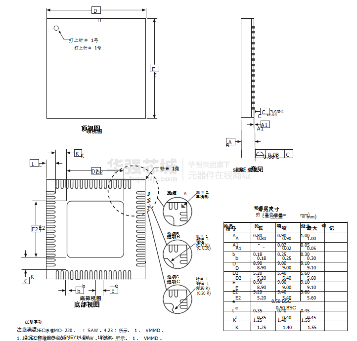
电路图、引脚图和封装图
应用案例
Paccar和Aurora达成合作 共同开发具备自动驾驶功能的重型卡车
2021-01-21
CDC329A 时钟驱动器技术文档总结
2025-09-24
atmega48单片机特性 atmega48的低功耗设计
2016-07-30
单片机的两大系列进行PK_MSP430和AVR
2016-07-30
Profibus PA转Modbus RTU协议网关
2024-09-25
3款AMDRyzen3000系列处理器发布 最低售价329美元
2019-05-27
基于Audiowise PAU1825芯片的蓝牙5.1助听耳机方案
2022-03-07
瑞萨电子的R-Car H3片上系统已被Parrot Faurecia Automotive公司采用
2019-08-02





