ATMEGA3290
高性能低功耗的8位AVR微控制器
制造商:
产品信息
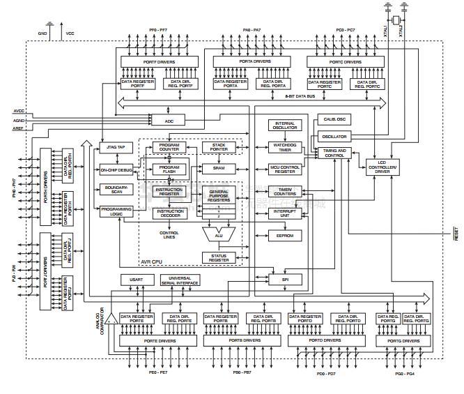
在ATmega329 / 3290 /六千四百九十分之六百四十九是一款基于AVR的低功耗8位CMOS微控制器增强型RISC architec-真实存在。通过在单个时钟周期, ATmega329执行强大的指令/ 3290 /六千四百九十○分之六百四十九的数据吞吐率每MHz接近1 MIPS使系统设计师能够优化功耗和处理速度之间。
特点:
高性能,低功耗的AVR®8位微控制器
先进的RISC架构
- 130条指令 - 绝大多数为单时钟周期执行
- 32个8位通用工作寄存器
•全静态工作
- 高达16 MIPS的吞吐量,在16兆赫
- 片上2周期乘法器
非易失性程序和数据存储器
- 在系统内可编程Flash ,耐力:10,000写/擦除周期
32K字节( ATmega329 / ATmega3290 )
64K字节( ATmega649 / ATmega6490 )
- 可选Boot代码区具有独立锁定位
在系统编程通过片上引导程序
真正的同时读 - 写操作
- EEPROM ,耐力:100,000写/擦除周期
1K字节( ATmega329 / ATmega3290 )
2K字节( ATmega649 / ATmega6490 )
•内部SRAM
2K字节( ATmega329 / ATmega3290 )
4K字节( ATmega649 / ATmega6490 )
- 可以对锁定的软件安全
JTAG ( IEEE 1149.1标准兼容)接口
- 边界扫描功能根据JTAG标准
- 广泛的片上调试支持
- 对Flash , EEPROM ,熔丝位和锁定位通过JTAG接口编程
外设特性
- 4 ×25段LCD驱动器( ATmega329 / ATmega649 )
- 4× 40段LCD驱动器( ATmega3290 / ATmega6490 )
- 两个8位定时器/计数器具有独立预分频器和比较模式
- 1个16位定时器/计数器具有独立预分频器,比较功能和捕捉
模式
- 实时计数器具有独立振荡器
- 四个PWM通道
- 8通道, 10位ADC
- 可编程的串行USART
- 主/从SPI串行接口
- 与启动条件检测器的通用串行接口
- 可编程看门狗定时器具有独立的片上振荡器
- 片上模拟比较器
- 中断和唤醒引脚电平变化
单片机特性
- 上电复位和可编程欠压检测
- 内部振荡器校准
- 外部和内部中断源
- 五种休眠模式:空闲模式, ADC噪声抑制,省电,掉电,和
待机
I / O和封装
- 53/68可编程I / O线
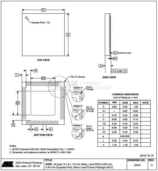
- 64引脚TQFP封装, 64 - QFN垫/ MLF和100引脚TQFP
速度等级:
- ATmega329V / ATmega3290V / ATmega649V / ATmega6490V :
0 - 4兆赫@ 1.8 - 5.5V , 0 - 8兆赫@ 2.7 - 5.5V
- ATmega329 / 3290 /六千四百九十分之六百四十九:
0 - 8兆赫@ 2.7 - 5.5V , 0 - 16兆赫@ 4.5 - 5.5V
温度范围:
- -40 ° C至85°C工业
电路图、引脚图和封装图
在线购买
型号:ATMEGA3290V-8AU-T
描述:-
型号:ATMEGA3290PV-1>
描述:-
型号:ATMEGA3290V-8AI
描述:-
型号:ATmega329V-8MI
描述:-
型号:ATmega3290-16AI
描述:-
型号:ATmega329-16AI
描述:-






