ATMEGA328P-AU
热门现货 8位AVR微控制器,带32KB在系统编程FLASH存储器
制造商:
产品信息
ATMEGA328P-AU,一种集成电路 (IC),核心处理器是AVR,闪存容量为32KB。
主要功能:
高性能、低功耗AVR 8位微控制器
先进的RISC体系结构
高耐力非易失性内存段
微控制器的特殊功能
上电复位和可编程布朗出检测
内部校准的振荡器
外部和内部中断源
六个睡眠模式:空闲,ADC降噪、电源保存、关闭、待机状态,和待机扩展
优势特点
特点
•高性能,低功耗的AVR®8位微控制器
•先进的RISC架构
- 131条指令 - 绝大多数为单时钟周期执行
- 32个8位通用工作寄存器
•全静态工作
- 高达20 MIPS的吞吐量,在20兆赫
- 片上2周期乘法器
高耐用性非易失性内存段
- 4/8/ 16 /的在系统内可编程的Flash程序存储器32K字节
- 五百十二分之二百五十六/ 512 / 1K字节EEPROM
- 512 / 1K / 1K / 2K字节的片内SRAM
- 写/擦除周期:10,000闪存/ EEPROM 100000
- 数据保存: / 20年85°C百年,在25℃
- 可选Boot代码区具有独立锁定位
在系统编程通过片上引导程序
真正的同时读 - 写操作
- 可以对锁定的软件安全
外设特性
- 两个8位定时器/计数器具有独立预分频器和比较模式
- 1个16位定时器/计数器具有独立预分频器,比较功能和捕捉
模式
- 实时计数器具有独立振荡器
- 六个PWM通道
- 8通道10位ADC的TQFP和QFN / MLF封装
温度测量
- 6通道10位ADC PDIP封装
温度测量
- 可编程的串行USART
- 主/从SPI串行接口
- 面向字节的两线串行接口(飞利浦的我2C兼容)
- 可编程看门狗定时器具有独立的片上振荡器
- 片上模拟比较器
- 中断和唤醒引脚电平变化
单片机特性
- 上电复位和可编程欠压检测
- 内部振荡器校准
- 外部和内部中断源
- 六个睡眠模式:空闲模式, ADC噪声抑制,省电,掉电,待机,
和扩展Standby
I / O和封装
- 23可编程I / O线
- 28引脚PDIP , 32引脚TQFP封装, 28 - QFN垫/ MLF以及32垫QFN / MLF
工作电压:
– 1.8 - 5.5V
温度范围:
– -40°C至85°C
速度等级:
- 0 - 4 MHz@1.8 - 5.5V , 0 - 10 MHz@2.7 - 5.5.V , 0 - 20兆赫@ 4.5 - 5.5V
功耗在1 MHz , 1.8V ,25°C
- 主动模式: 0.2毫安
- 掉电模式: 0.1 μA
- 省电模式: 0.75 μA (包括32千赫RTC )
规格参数
产品分类 | |
CPU内核 | AVR |
主频速度(Max) | 20MHz |
I/O口总数 | 25 |
连接性 | I²C,SPI,UART/USART |
程序空间类型 | 闪存 |
程序空间容量 | 32KB(16Kx16) |
内存RAM容量 | 2Kx8 |
EEPROM容量 | 1Kx8 |
工作电压(范围) | 1.8V~5.5V |
时钟源 | 内部,外部 |
工作温度 | -40°C~85°C(TA) |
封装/外壳 | 32-TQFP |
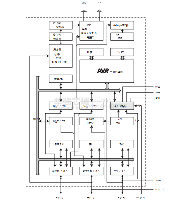
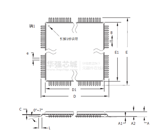
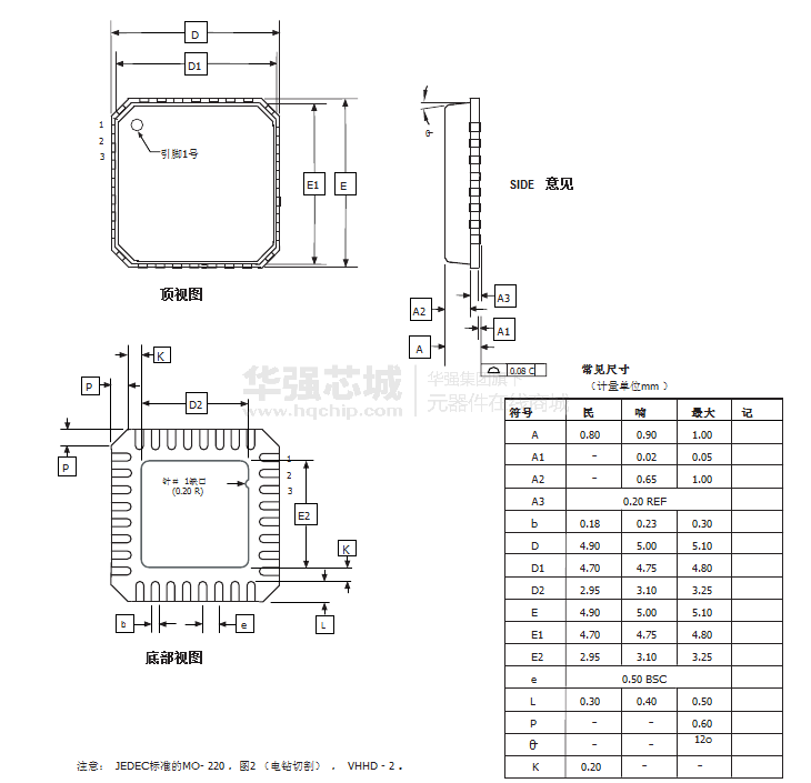
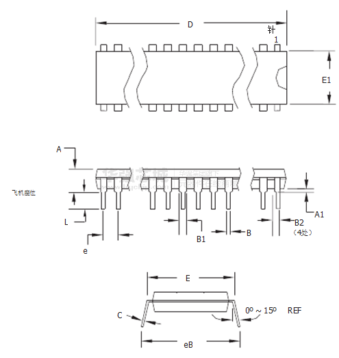
电路图、引脚图和封装图
应用案例
基于个人经验对 Arduino 入门套件作了相关介绍,开启创客世界大门
2019-08-02
如何将ArduinoBootLoader刻录到AtMega328p芯片上
2019-09-26
atmega48单片机特性 atmega48的低功耗设计
2017-08-25
如何为Atmega16或Atmega32处理器开发自己的开发板
2019-09-30
利用ATMEGA16设计电热锅炉温度控制器的方法
2015-02-10
基子Atmega103微控制器的家庭信息终端的设计
2015-02-10
解读ATmega2560无人机摇杆微控制器设计方案
2015-02-10
由ATmega324p实现的数字化无线温度传感器设计方案
2015-02-10






