ATMEGA324PA-AU
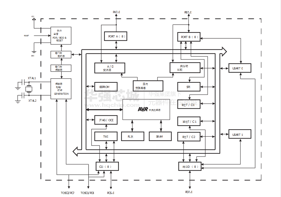
ATmega324PA是一款基于AVR的低功耗8位CMOS微控制器增强的RISC架构。
制造商:
产品信息
特点
•高性能,低功耗的AVR®8位微控制器
•先进的RISC架构
- 131条指令 - 绝大多数为单时钟周期执行
- 32个8位通用工作寄存器
•全静态工作
- 高达20 MIPS的吞吐量,在20兆赫
- 片上2周期乘法器
高耐用性非易失性内存段
- 对在系统内可编程闪存程序存储器32K字节
- 1K字节EEPROM
- 2K字节的片内SRAM
- 写/擦除周期:10,000闪存/ EEPROM 100000
- 数据保存: / 20年85°C百年,在25℃
(1)
- 可选Boot代码区具有独立锁定位
在系统编程通过片上引导程序
真正的同时读 - 写操作
- 可以对锁定的软件安全
JTAG ( IEEE 1149.1标准兼容)接口
- 边界扫描功能根据JTAG标准
- 广泛的片上调试支持
- 对Flash , EEPROM ,熔丝位和锁定位通过JTAG接口编程
外设特性
- 两个8位定时器/计数器具有独立预分频器和比较模式
- 1个16位定时器/计数器具有独立预分频器,比较功能和捕捉模式
- 实时计数器具有独立振荡器
- 六个PWM通道
- 8通道, 10位ADC
差分模式下,可选择增益为1倍, 10倍或200倍
- 面向字节的两线串行接口
- 两个可编程的串行USART
- 主/从SPI串行接口
- 可编程看门狗定时器具有独立的片上振荡器
- 片上模拟比较器
- 中断和唤醒引脚电平变化
单片机特性
- 上电复位和可编程欠压检测
- 内部标定RC振荡器
- 外部和内部中断源
- 六个睡眠模式:空闲模式, ADC噪声抑制,省电,掉电,待机和
延长待机





