ATMEGA169PA-AU
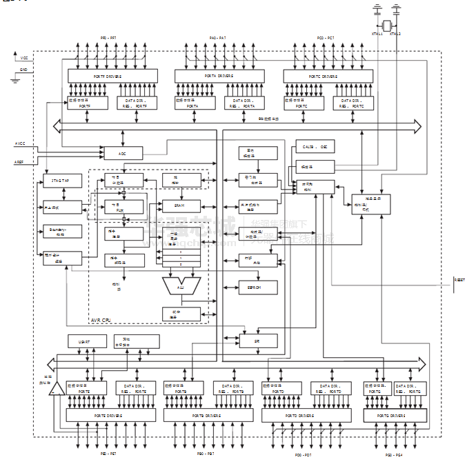
ATmega169PA是一款基于AVR的低功耗8位CMOS微控制器增强的RISC架构。
制造商:
产品信息
特点
•高性能,低功耗的AVR®8位微控制器
•先进的RISC架构
- 130条指令 - 绝大多数为单时钟周期执行
- 32个8位通用工作寄存器
•全静态工作
- 高达16 MIPS的吞吐量,在16兆赫
- 片上2周期乘法器
高耐用性非易失性内存段
- 对在系统内可编程闪存程序存储器16K字节
- 512字节EEPROM
- 1K字节的片内SRAM
- 写/擦除周期:10,000闪存/ EEPROM 100000
- 数据保存: / 20年85°C百年,在25℃
- 可选Boot代码区具有独立锁定位
在系统编程通过片上引导程序
真正的同时读 - 写操作
- 可以对锁定的软件安全
JTAG ( IEEE 1149.1标准兼容)接口
- 边界扫描功能根据JTAG标准
- 广泛的片上调试支持
- 对Flash , EEPROM ,熔丝位和锁定位通过JTAG接口编程
外设特性
- 4 ×25段LCD驱动器
- 两个8位定时器/计数器具有独立预分频器和比较模式
- 1个16位定时器/计数器具有独立预分频器,比较功能和捕捉
模式
- 实时计数器具有独立振荡器
- 四个PWM通道
- 8通道, 10位ADC
- 可编程的串行USART
- 主/从SPI串行接口
- 与启动条件检测器的通用串行接口
- 可编程看门狗定时器具有独立的片上振荡器
- 片上模拟比较器
- 中断和唤醒引脚电平变化
单片机特性
- 上电复位和可编程欠压检测
- 内部振荡器校准
- 外部和内部中断源
- 五种休眠模式:空闲模式, ADC噪声抑制,省电,掉电,和
待机
I / O和封装
- 54可编程I / O线
- 64引脚TQFP封装, 64 - QFN垫/ MLF以及64片DRQFN
速度等级:
- ATmega169PA : 0 - 16兆赫@ 1.8 - 5.5V
温度范围:
- -40 ° C至85°C工业
超低功耗
- 主动模式:
为1 MHz ,1.8V : 215 μA
32千赫, 1.8V : 8 μA (包括振荡器)
32千赫, 1.8V : 25 μA (包括振荡器和LCD)
- 掉电模式:
0.1 μA在1.8V
- 省电模式:
0.6 μA在1.8V (包括32千赫RTC )





