ATMEGA169
高性能、低功耗的8 位AVR® 微处理器
制造商:
产品信息
2514I–AVR–10/03
产品特性
•高性能、低功耗的 8位AVR®微处理器•先进的RISC结构
–130 条指令 – 大多数指令执行时间为单个时钟周期–32个8位通用工作寄存器–全静态工作
–工作于16 MHz时性能高达16 MIPS–只需两个时钟周期的硬件乘法器•
非易失性程序和数据存储器
–16K 字节的系统内可编程Flash
擦写寿命: 10,000次
–具有独立锁定位的可选Boot代码区
通过片上Boot程序实现系统内编程真正的同时读写操作–512字节的EEPROM
擦写寿命: 100,000次–1K字节的片内SRAM
•可以对锁定位进行编程以实现用户程序的加密•
JTAG 接口(与IEEE 1149.1标准兼容)–符合JTAG标准的边界扫描功能–支持扩展的片内调试功能
–通过JTAG接口实现对Flash、EEPROM、熔丝位和锁定位的编程•
外设特点
–4 x 25段的LCD 驱动器
–两个具有独立预分频器和比较器功能的8位定时器/计数器
–一个具有预分频器、比较功能和捕捉功能的16位定时器/计数器–具有独立振荡器的实时计数器RTC–四通道PWM–8路10位ADC
–可编程的串行USART
–可工作于主机/从机模式的SPI串行接口–有开始状态检测器的通用串行接口USI
–具有独立片内振荡器的可编程看门狗定时器–片内模拟比较器
–引脚电平变化可引发中断及唤醒MCU•
特殊的微控制器特点
–上电复位(POR)以及可编程的掉电检测(BOD)–经过校准的片内RC振荡器–片内、片外中断源
–五种休眠模式:空闲模式、ADC噪声抑制模式、省电模式、掉电模式和Standby模式•I/O口与封装
–53个可编程的I/O口
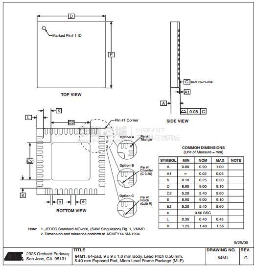
–64引脚TQFP封装 与64引脚MLF封装•
工作电压:
–ATmega169V:1.8 - 5.5V –ATmega169L:2.7 - 5.5V –ATmega169:4.5 - 5.5V•
工作温度范围:
–-40°C至85°C,工业级
2
ATmega169V/L
2514I–AVR–10/03
特性(续)
•工作速度:
–ATmega169V 0 - 1 MHz–ATmega169L 0 - 8 MHz –ATmega169 0 - 16 MHz •极低功耗
–正常模式:
1 MHz, 1.8V: 400µA
32 kHz, 1.8V: 20µA (包括振荡器)
32 kHz, 1.8V: 40µA (包括振荡器与 LCD)–掉电模式:
1.8V,0.5µA2ATmega169V/L2514I–AVR–10/03特性(续)•工作速度:–ATmega169V0 - 1 MHz–ATmega169L0 - 8 MHz –ATmega169 0 - 16 MHz •极低功耗–正常模式:1 MHz, 1.8V: 400µA32 kHz, 1.8V: 20µA (包括振荡器)32 kHz, 1.8V: 40µA (包括振荡器与 LCD)–掉电模式: 1.8V,0.5µA
2ATmega169V/L2514I–AVR–10/03特性(续)•工作速度:–ATmega169V0 - 1 MHz–ATmega169L0 - 8 MHz –ATmega169 0 - 16 MHz •极低功耗–正常模式:1 MHz, 1.8V: 400µA32 kHz, 1.8V: 20µA (包括振荡器)32 kHz, 1.8V: 40µA (包括振荡器与 LCD)–掉电模式: 1.8V,0.5µA
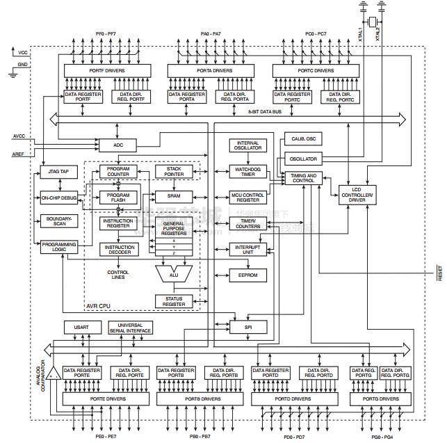
电路图、引脚图和封装图
在线购买
型号:ATMEGA169PV8MUR
描述:-
型号:ATMEGA169PV-8MU-T
描述:-
型号:ATMEGA169PV-8MU SL383
描述:-
型号:ATMEGA169PA-AU 托盘
描述:-
型号:ATMEGA169PV-8M>
描述:-
型号:ATMEGA169P-16A>
描述:-




