ATMEGA168A-PU
ATmega48 / 88/168是基于AVR增强型低功耗8位CMOS微控制器RISC架构。
制造商:
产品信息
特点
•高性能,低功耗的AVR®8位微控制器
•先进的RISC架构
- 131条指令 - 绝大多数为单时钟周期执行
- 32个8位通用工作寄存器
•全静态工作
- 高达20 MIPS的吞吐量,在20兆赫
- 片上2周期乘法器
非易失性程序和数据存储器
- 4/8 /的在系统内可编程的Flash 16K字节(的ATmega48 / 88/168 )
耐力:10,000写/擦除周期
- 可选Boot代码区具有独立锁定位
在系统编程通过片上引导程序
真正的同时读 - 写操作
- 256/512/512字节的EEPROM (的ATmega48 / 88/168 )
耐力:100,000写/擦除周期
- 512 / 1K / 1K字节内部SRAM (的ATmega48 / 88/168 )
- 可以对锁定的软件安全
外设特性
- 两个8位定时器/计数器具有独立预分频器和比较模式
- 1个16位定时器/计数器具有独立预分频器,比较功能和捕捉
模式
- 实时计数器具有独立振荡器
- 六个PWM通道
- 8通道10位ADC的TQFP和QFN / MLF封装
- 6通道10位ADC PDIP封装
- 可编程的串行USART
- 主/从SPI串行接口
- 面向字节的两线串行接口(飞利浦的我2C兼容)
- 可编程看门狗定时器具有独立的片上振荡器
- 片上模拟比较器
- 中断和唤醒引脚电平变化
单片机特性
- 上电复位和可编程欠压检测
- 内部振荡器校准
- 外部和内部中断源
- 五种休眠模式:空闲模式, ADC噪声抑制,省电,掉电,和
待机
I / O和封装
- 23可编程I / O线
- 28引脚PDIP , 32引脚TQFP封装, 28 - QFN垫/ MLF以及32垫QFN / MLF
工作电压:
- 1.8 - 5.5V的ATMEGA48V / 88V / 168V
- 2.7 - 5.5V的的ATmega48 / 88/168
温度范围:
– -40°C至85°C
速度等级:
- ATMEGA48V / 88V / 168V : 0 - 4兆赫@ 1.8 - 5.5V , 0 - 10兆赫@ 2.7 - 5.5V
- 的ATmega48 / 88/168 : 0 - 10兆赫@ 2.7 - 5.5V , 0 - 20兆赫@ 4.5 - 5.5V
低功耗
- 主动模式:
250 μA在1 MHz , 1.8V
15 μA在32kHz , 1.8V (包括振荡器)
- 掉电模式:
0.1μA在1.8V
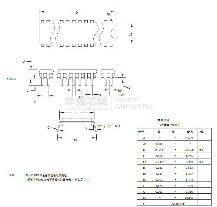
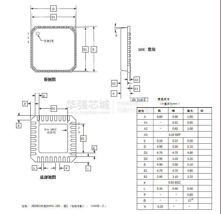
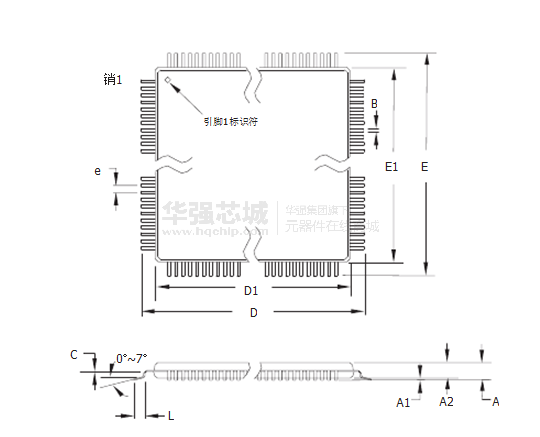
电路图、引脚图和封装图
应用案例
采用Atmega128单片机和电机控制芯片实现直流电机高精度控制
2020-04-12
基于ATmega128和上位机控制软件实现陶瓷检测系统的应用方案
2021-03-30
关于UVLED光固化漆和PU漆,它们之间的区别是什么
2020-07-16
30KPA168A单向二极管:高耐压,低损耗,性能卓越
2025-03-15
国巨集团将推出两款四端分流电阻PU1216和PU2726
2025-03-14
ATMEGA328芯片解密成功爱特梅尔单片机解密描述
2022-10-09
攀升A3刀锋一体机荣获IT168“2021 年度产品奖”
2022-01-07
PU气管粘接ABS接头可以用快干胶胶水吗?
2021-12-06






