ATMEGA168
8位微控制器具有8K字节的系统内可编程闪存。
制造商:
产品信息
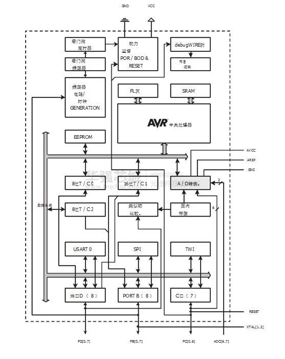
ATmega48 / 88/168是一款基于AVR单片机的低功耗8位CMOS微控制器增强的RISC架构。通过在单个时钟周期内执行强大的指令,中的ATmega48 / 88/168的数据吞吐率高达1 MIPS每MHz,从而可以系统设计人员在功耗和处理速度之间。
特点:
•高性能,低功耗的AVR®8位微控制器
•先进的RISC架构
- 131条指令 - 绝大多数为单时钟周期执行
- 32个8位通用工作寄存器
•全静态工作
- 高达20 MIPS的吞吐量,在20兆赫
- 片上2周期乘法器
非易失性程序和数据存储器
- 4/8 /的在系统内可编程的Flash 16K字节(的ATmega48 / 88/168 )
耐力:10,000写/擦除周期
- 可选Boot代码区具有独立锁定位
在系统编程通过片上引导程序
真正的同时读 - 写操作
- 256/512/512字节的EEPROM (的ATmega48 / 88/168 )
耐力:100,000写/擦除周期
- 512 / 1K / 1K字节内部SRAM (的ATmega48 / 88/168 )
- 可以对锁定的软件安全
外设特性
- 两个8位定时器/计数器具有独立预分频器和比较模式
- 1个16位定时器/计数器具有独立预分频器,比较功能和捕捉模式
- 实时计数器具有独立振荡器
- 六个PWM通道
- 8通道10位ADC在TQFP与MLF封装
- 6通道10位ADC PDIP封装
- 可编程的串行USART
- 主/从SPI串行接口
- 面向字节的两线串行接口
- 可编程看门狗定时器具有独立的片上振荡器
- 片上模拟比较器
- 中断和唤醒引脚电平变化
单片机特性
- 上电复位和可编程欠压检测
- 内部振荡器校准
- 外部和内部中断源
- 五种休眠模式:空闲模式, ADC噪声抑制,省电,掉电,和待机
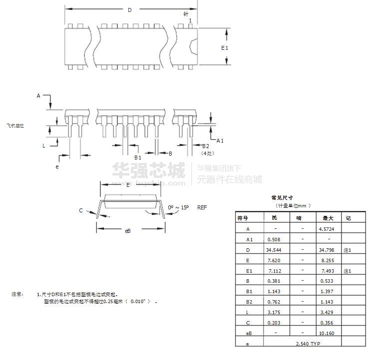
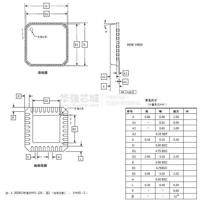
I / O和封装
- 23可编程I / O线
- 28引脚PDIP , 32引脚TQFP和32 - MLF垫
工作电压:
- 1.8 - 5.5V的ATMEGA48V / 88V / 168V
- 2.7 - 5.5V的的ATmega48 / 88/168
温度范围:
– -40°C至85°C
速度等级:
- ATMEGA48V / 88V / 168V : 0 - 4兆赫@ 1.8 - 5.5V , 0 - 10兆赫@ 2.7 - 5.5V
- 的ATmega48 / 88/168 : 0 - 10兆赫@ 2.7 - 5.5V , 0 - 20兆赫@ 4.5 - 5.5V
低功耗
- 主动模式:
为1 MHz ,1.8V : 240μA
32千赫, 1.8V : 15μA (包括振荡器)
- 掉电模式:
0.1μA在1.8V






