ATMEGA162-16PU
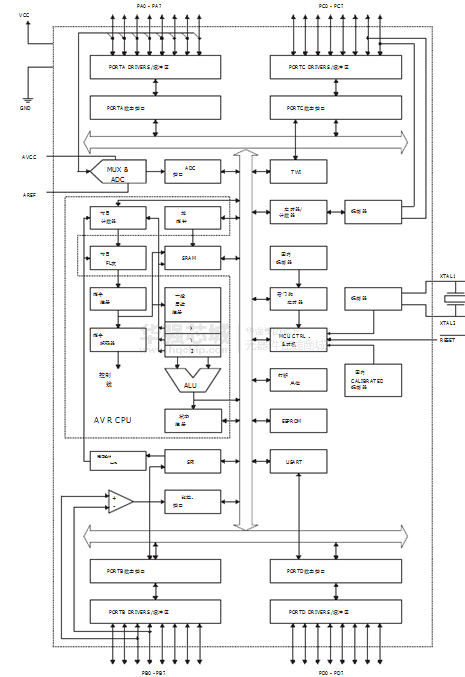
ATmega162的是基于AVR的低功耗8位CMOS微控制器增强的RISC架构。
制造商:
产品信息
ATmega162-16PU,8位AVR微处理器,带16KB在系统可编程Flash
优势特点
特点
•高性能,低功耗的AVR®8位微控制器
•先进的RISC架构
- 131条指令 - 绝大多数为单时钟周期执行
- 32个8位通用工作寄存器
•全静态工作
- 高达16 MIPS的吞吐量,在16兆赫
- 片上2周期乘法器
非易失性程序和数据存储器
- 对在系统内可编程的Flash 16K字节
耐力:10,000写/擦除周期
- 可选Boot代码区具有独立锁定位
在系统编程通过片上引导程序
真正的同时读 - 写操作
- 512字节EEPROM
耐力:100,000写/擦除周期
- 1K字节的片内SRAM
- 高达64K字节的可选外部存储器空间
- 可以对锁定的软件安全
JTAG ( IEEE 1149.1标准兼容)接口
- 边界扫描功能根据JTAG标准
- 广泛的片上调试支持
- 对Flash , EEPROM ,熔丝位和锁定位通过JTAG接口编程
外设特性
- 两个8位定时器/计数器具有独立预分频器和比较模式
- 2个16位定时器/计数器具有独立预分频器,比较模式,并
拍摄模式
- 实时计数器具有独立振荡器
- 六个PWM通道
- 两个可编程的串行USART接口
- 主/从SPI串行接口
- 可编程看门狗定时器具有独立的片上振荡器
- 片上模拟比较器
单片机特性
- 上电复位和可编程欠压检测
- 内部标定RC振荡器
- 外部和内部中断源
- 五种休眠模式:空闲模式,省电模式,掉电,待机和扩展Standby
I / O和封装
- 35个可编程I / O线
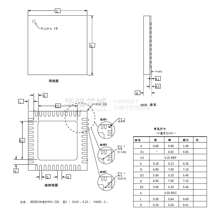
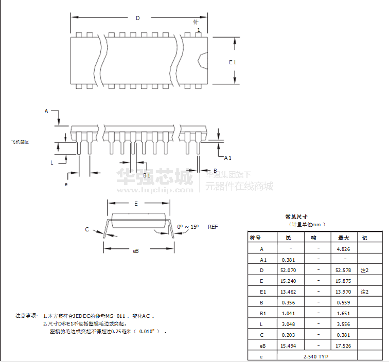
- 40引脚PDIP , 44引脚TQFP和44 - MLF垫
工作电压
- 1.8 - 5.5V的ATmega162V
- 2.7 - 5.5V的ATmega162的
速度等级
- 0 - 8兆赫ATmega162V (见图113 265页)
- 0 - 16 MHz时为ATmega162的(见图114 265页)





