ATMEGA128A-MU
该ATmega128A是一款基于AVR的低功耗8位CMOS微控制器增强的RISC架构。
制造商:
产品信息
特点
•高性能,低功耗的AVR®8位微控制器
•先进的RISC架构
- 133条指令 - 绝大多数为单时钟周期执行
- 32个8位通用工作寄存器+外设控制寄存器
•全静态工作
- 高达16 MIPS的吞吐量,在16兆赫
- 片上2周期乘法器
高耐用性非易失性内存段
- 对在系统内可编程闪存程序存储器128K字节
- 4K字节的EEPROM
- 4K字节的片内SRAM
- 写/擦除周期:10,000闪存/ EEPROM 100000
- 数据保存: / 20年85°C百年,在25℃
- 可选Boot代码区具有独立锁定位
在系统编程通过片上引导程序
真正的同时读 - 写操作
- 高达64K字节的可选外部存储器空间
- 可以对锁定的软件安全
- SPI接口进行在系统编程
JTAG ( IEEE 1149.1标准兼容)接口
- 边界扫描功能根据JTAG标准
- 广泛的片上调试支持
- 对Flash , EEPROM ,熔丝位和锁定位通过JTAG接口编程
外设特性
- 两个8位定时器/计数器具有独立预分频器和比较模式
- 两个扩展的16位定时器/计数器具有独立预分频器,比较模式和
捕捉模式
- 实时计数器具有独立振荡器
- 两个8位PWM通道
- 6个PWM通道,可编程解决方案,从2至16位
- 输出比较调制器
- 8通道, 10位ADC
8个单端通道
7个差分通道
2个差分通道具有可编程增益1倍, 10倍, 200倍或
- 面向字节的两线串行接口
- 两个可编程的串行USART接口
- 主/从SPI串行接口
- 可编程看门狗定时器,带有片上振荡器
- 片上模拟比较器
单片机特性
- 上电复位和可编程欠压检测
- 内部标定RC振荡器
- 外部和内部中断源
- 六个睡眠模式:空闲模式, ADC噪声抑制,省电,掉电,待机,
和扩展Standby
- 软件可选的时钟频率
- ATmega103兼容模式通过熔丝选择
- 全球拉禁用
I / O和封装
- 53可编程I / O线
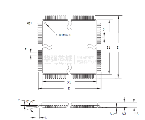
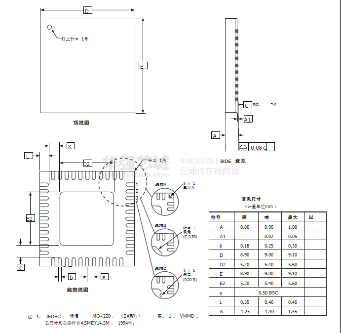
- 64引脚TQFP和64片QFN / MLF
工作电压
– 2.7 - 5.5V
速度等级
- 0 - 16 MHz的
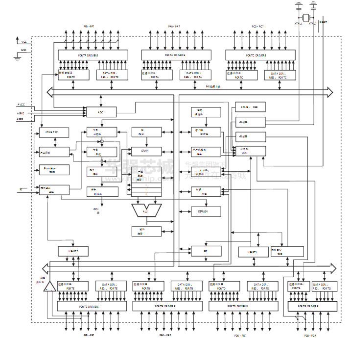
电路图、引脚图和封装图
应用案例
基于ATmega128和上位机控制软件实现陶瓷检测系统的应用方案
2021-03-30
采用Atmega 16L为核心实现底片自动定位系统的设计
2019-01-10
ATMEGA328芯片解密成功爱特梅尔单片机解密描述
2022-10-09
如何为Atmega16或Atmega32处理器开发自己的开发板
2019-09-30
Eval-1ED3142MU12F-SiC评估板:开启EiceDRIVER™ 1ED3142MU
2025-12-20
基于ATmega328 MCU的Arduino UNO板设计
2023-01-16
通过采用AVR单片机ATXmega128A1进行便携式仪表的设计
2018-11-14
atmega48单片机特性 atmega48的低功耗设计
2018-03-26




