ATMEGA1284
8位微控制器与16/32/ 64 / 128K字节的系统内可编程闪存。
制造商:
产品信息
该ATmega164A / 164PA / 324A / 324PA / 644A / 644PA / 1284 /
1284P是一款低功耗8位CMOS基于AVR单片机的增强型RISC架构。通过执行强大的指令在一个时钟周期中,请在ATmega164A / 164PA /
324A / 324PA / 644A / 644PA / 1284 / 1284P的数据吞吐率高达1
MIPS每MHz使系统设计师能够优化功耗和处理速度之间。
特点:
•高性能,低功耗爱特梅尔®AVR®8位微控制器
•先进的RISC架构
- 131条指令 - 绝大多数为单时钟周期执行
- 32个8位通用工作寄存器
•全静态工作
- 高达20MIPS的吞吐量在20MHz
- 片上2周期乘法器
高耐用性非易失性内存段
- 对在系统内可编程Flash程序存储器, 16/32/ 64 / 128K字节
- 512 / 1K / 2K / 4K字节的EEPROM
- 1/2/ 4 / 16K字节内部SRAM
- 写/擦除周期:10,000闪存/ EEPROM 100000
- 数据保存: / 20年85°C百年,在25℃
- 可选Boot代码区具有独立锁定位
在系统编程通过片上引导程序
真正的同时读 - 写操作
- 可以对锁定的软件安全
QTouch软件®库支持
- 电容式触摸按钮,滑块和滑轮
- 的QTouch和QMatrix采集
- 多达64个感测通道
JTAG ( IEEE 1149.1标准兼容)接口
- 边界扫描功能根据JTAG标准
- 广泛的片上调试支持
- 对Flash , EEPROM ,熔丝位和锁定位通过JTAG接口编程
外设特性
- 两个8位定时器/计数器具有独立预分频器和比较模式
- 一个/两个16位定时器/计数器具有独立预分频器,比较功能和捕捉模式
- 实时计数器具有独立振荡器
- 六个PWM通道
- 8通道, 10位ADC
差分模式下,可选择增益为1倍, 10倍或200倍
- 面向字节的两线串行接口
- 两个可编程的串行USART
- 主/从SPI串行接口
- 可编程看门狗定时器具有独立的片上振荡器
- 片上模拟比较器
- 中断和唤醒引脚电平变化
单片机特性
- 上电复位和可编程欠压检测
- 内部标定RC振荡器
- 外部和内部中断源
- 六个睡眠模式:空闲模式, ADC噪声抑制,省电,掉电,待机和
延长待机
I / O和封装
- 32个可编程I / O线
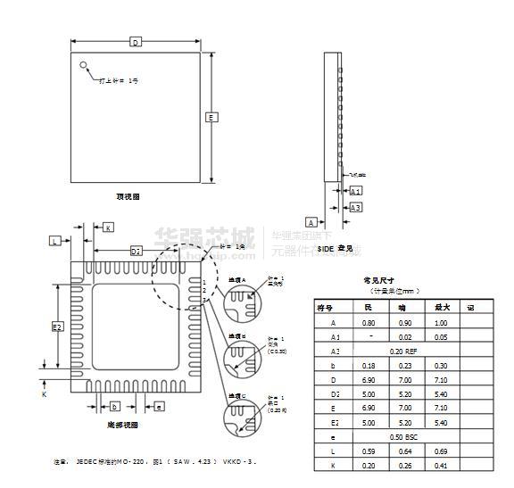
- 40引脚PDIP , 44引脚TQFP封装, 44 - VQFN垫/ QFN / MLF
- 44 - 垫DRQFN
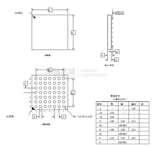
- 49球VFBGA
工作电压
– 1.8 - 5.5V
速度等级
- 0 - 4MHz的@ 1.8 - 5.5V
- 0 - 10MHz的@ 2.7 - 5.5V
- 0 - 20MHz的@ 4.5 - 5.5V
功耗频率为1MHz , 1.8V ,25°C
- 活动: 0.4毫安
- 掉电模式: 0.1μA
- 省电模式: 0.6μA (包括32kHz的RTC )
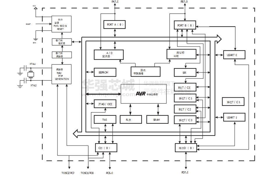
电路图、引脚图和封装图
应用案例
国产AFE替换ADS1283/ADS1284应用于地震监测
2025-02-24
如何为Atmega16或Atmega32处理器开发自己的开发板
2019-09-30
MAX1284, MAX1285,MAX1285B串行12位ADC,内置电压基准
2011-01-19
关于 MEGA-1284P Xplained 的特点介绍
2018-07-10
无线电管理面板C12848测试台的设计与制作
2018-05-24
无线电管理面板C12848系列的RMP测试设备问题
2018-03-26
atmega48单片机特性 atmega48的低功耗设计
2018-03-26
用ATmega64作为主控芯片设计的蓝牙OBD行车电脑
2018-02-26








