ATF1508ASV-15AU100
高性能EE PLD。
制造商:
产品信息
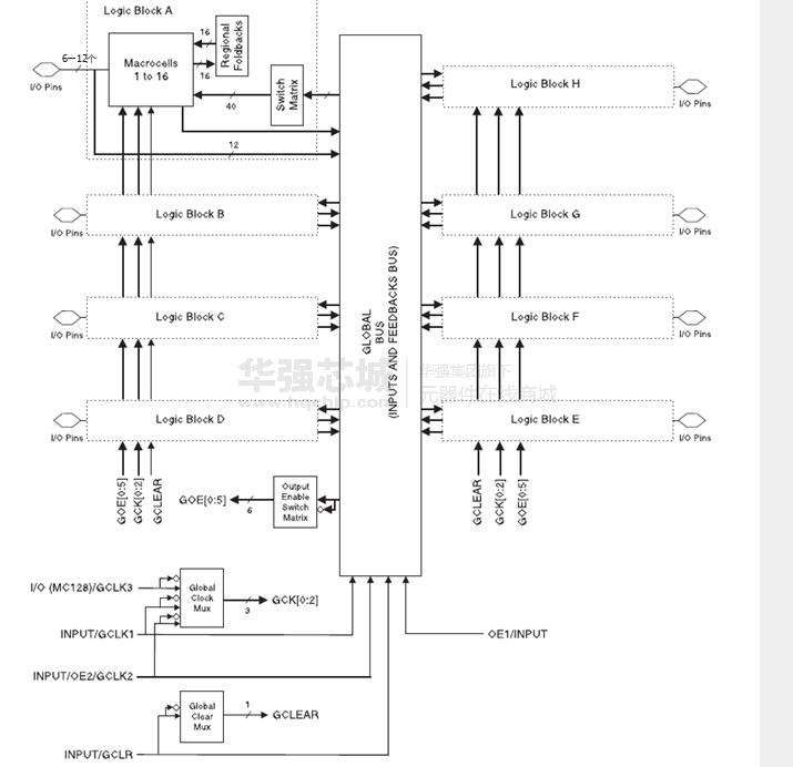
该ATF1508ASV (L)为一个高性能,高密度复杂可编程逻辑器件(CPLD ) ,利用Atmel的成熟的电可擦除技术。 128逻辑宏单元和多达100个输入端,它很容易地从多个初始TTL, SSI的集成逻辑,MSI , LSI和经典的可编程逻辑器件。该ATF1508ASV ( L)的增强型路由交换矩阵增加可用门数,并增加成功的引脚锁定设计赔率
修改。
特点
•高密度,高性能,电可擦除
复杂可编程逻辑器件
- 3.0V至3.6V工作电压范围
- 128个宏单元
- 每个宏单元,可扩展5产品条款高达40宏单元
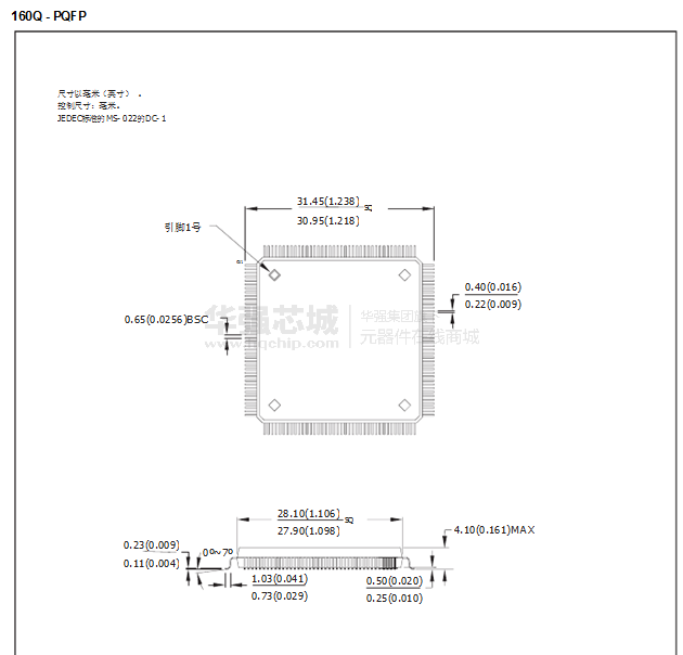
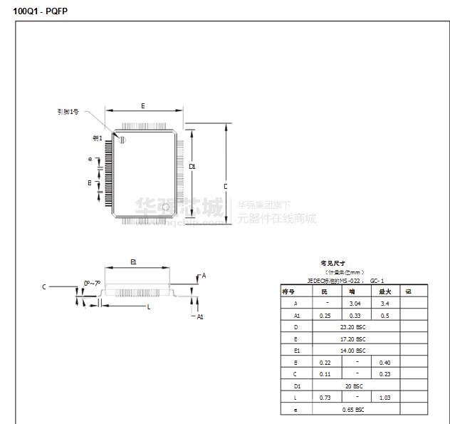
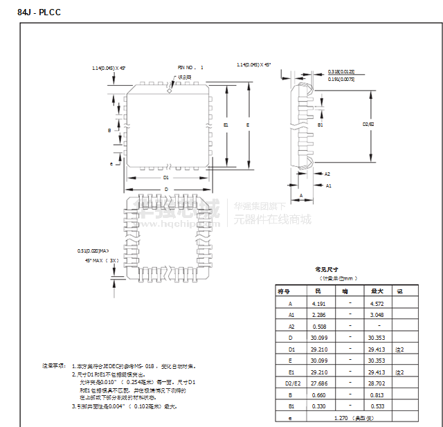
- 84 , 100 , 160引脚
- 15 ns最大引脚至引脚延时
- 注册操作高达77 MHz的
- 增强的路由资源
灵活的逻辑宏单元
- D / T /锁存器配置的触发器
- 全球和个人寄存器控制信号
- 全球和个人输出使能
•可编程输出摆率
- 可编程输出集电极开路选项
- 通过在一个COM输出埋葬一个注册的最大的逻辑利用率
先进的电源管理功能
- 自动5 μA待机为“L”版本
- 引脚控制的100 μA待机模式
- 可编程引脚门将输入和I / O
- 每个宏单元省电功能
提供商业和工业温度范围
可提供84引脚PLCC和100引脚PQFP和TQFP封装,
160引脚PQFP封装
高级EE技术
- 100%测试
- 完全可再编程
- 10,000编程/擦除周期
- 20年的数据保存
- 2000V的ESD保护
- 200毫安闭锁抗扰度
JTAG边界扫描测试IEEE标准。 1149.1-1990和1149.1a - 1993支持
快速的在系统可编程( ISP )通过JTAG
符合PCI标准
安全保险丝功能
绿色(无铅/无卤化物/ RoHS标准)封装选项
•HIGH-
性能
EE PLD
ATF1508ASV
ATF1508ASVL
增强功能
改进的连接(附加的反馈路径,交替输入路由)
输出使能产品条款
透明锁存模式
组合输出,带内的任何宏蜂窝注册反馈
三个全局时钟引脚
在全局时钟,输入和I ITD (输入瞬态检测)电路/ O
从产品期限快速注册输入
可编程的“脚老板”选项VCC
上电复位选项
上拉功能的JTAG引脚TMS和TDI
先进的电源管理功能
- 边控掉电“L”
- 个人宏单元电源选项
- 禁用ITD在全球时钟,输入和I / O的“Z”零部件
电路图、引脚图和封装图
在线购买
型号:ATF1508ASV-15AU100 SL383
描述:-
型号:ATF1508ASV-15AU100-SL383
描述:-
型号:ATF1508ASV-15AU100_SL383
描述:-
型号:ATF1508ASV-15AU100
描述:-
应用案例
基于昆明物理研究所的Au掺杂碲镉汞长波探测器探究
2023-02-13
基于FR4板材和ATF-551M4实现低噪声放大器的设计
2020-08-24
DK5V100R15S东科用SM-7封装同步整流芯片
2024-01-28
Fluke 1508手持式绝缘测试仪的基本功能及主要特性分析
2020-11-23
一种设计和制备无衬底Au/SiNx/Au超构薄膜作为MFPA的太赫兹吸收体的方法
2022-07-10
LG AU810PW双激光光源,超大屏4k激光家庭影院
2022-05-17
1.8mΩ极低导阻!捷捷微电JMSL0303AU助力华为100W车充登顶功率密度巅峰!
2025-06-09
CPLD芯片ATF1508AS的特点及实现高速USB通信系统的设计
2020-07-23









