ATF1502
该ATF15xxAE家庭的3.3伏电源,高性能,高密度的复杂编程的可编程逻辑器件(CPLD )采用Atmel的成熟电可擦除技术。
制造商:
产品信息
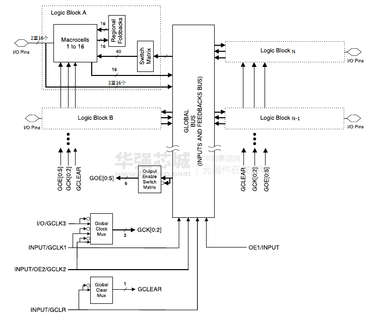
该ATF15xxAE家庭的3.3伏电源,高性能,高密度的复杂编程的可编程逻辑器件(CPLD )采用Atmel的成熟电可擦除技术。凭借高达512个宏单元,他们很容易从几个TTL , SSI , MSI , LSI和经典的整合逻辑可编程逻辑器件。
该ATF15xxAE系列的增强型宏蜂窝架构,开关矩阵和路由增加可用门数的新设计,并增加成功的引脚锁定赔率
设计修改,同时保持与行业标准的CPLD器件引脚兼容。该ATF15xxAE系列器件有四个专用输入引脚,并根据类型器件和封装,高达208个双向I / O引脚。每个专用输入引脚还可以作为作为一个全球性的控制信号,时钟寄存器,寄存器复位或输出使能。这些控制的信号可被选择用于每个单独的宏小区内使用。每个输入和I / O引脚也
服务于全球的总线。
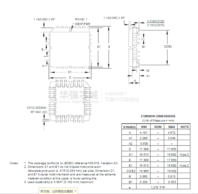
电路图、引脚图和封装图
应用案例
冷启动(Cold boot)流程及阶段划分
2023-11-07
LTC1502-3.3:单节电池至3.3V稳压电荷泵DC/DC转换器的卓越之选
2026-02-12
ARM ATF入门-安全固件软件介绍和代码运行
2023-02-04
昊衡科技-推出分体式光矢量分析系统(OCI-V)
2022-10-30
18V/1A低功耗可调电流限制负载开关电源参数与使用极限
2026-03-04
昊衡科技-推出分体式光矢量分析系统(OCI-V)
2022-10-30
基于AT90S2313单片机和ATF1500A芯片实现自动图像报警系统的设计
2020-11-01
昊衡科技-推出分体式光矢量分析系统(OCI-V)
2022-10-30






