AT93C46
AT93C46 是1K的串行EEPROM存储器器件,可配置为16位(ORG 管脚接Vcc)或者8位(ORG管脚接GND)的寄存器。
制造商:
产品信息
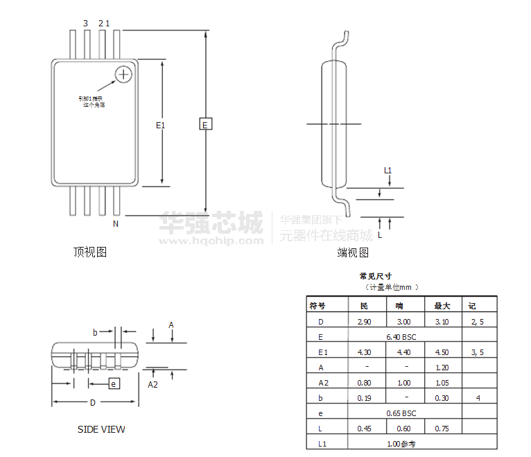
AT93C46 内部有一个指令缓存器储存传输进来的串行数据,再由指令译码控制逻辑与内部频率产生器,在指定的地址将数据作读取或写入的动作。AT93C46采用Catalyst公司先进的CMOS EEPROM浮动闸(floating gate)技术制造而成。器件可采用8脚DIP,8脚SOIC或8脚TSSOP的封装形式。
应用案例
F46热缩管收缩比有哪些?
2021-09-18
探索 CAT93C46B:1-Kb 微线串行 EEPROM 的卓越性能与应用
2025-11-27
OPPO A93上架:搭载骁龙480
2021-01-16
Microchip 93XX56A/B/C系列2K Microwire兼容串行EEPROM深
2026-03-03
Microchip 93XX66A/B/C系列4Kbit低电压串行EEPROM深度解析
2026-02-10
探索Microchip 93XX56A/B/C系列2Kbit串行EEPROM
2026-02-10
RE46C108压电喇叭驱动器与电压调节器:设计工程师的新选择
2025-12-28
AT93C46 E2PROM存储器各引脚功能及管脚电压
2008-10-10







