AT91SAM9G25-CU
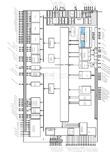
AT91SAM9G25 是基于ARM926EJ-S内核,嵌入式微处理器单元,运行在400 MHz和连接外围设备,高数据带宽架构和一个小型封装选项,它用于工业应用的优化解决方案。
制造商:
产品信息
AT91SAM9G25内核-ARM926EJ-S™ARM®Thumb®的处理器,运行速度高达400 MHz@1.0V + / - 10%- 16 KB的数据Cache,16 KB的指令高速缓存,存储器管理单元
AT91SAM9G25存储器- 一个64字节的内部ROM嵌入引导程序:NANDFlash的启动,SD卡的DataFlash®或串行数据闪存。可编程顺序。- 一个32字节的内部SRAM,单周期存取系统的运行速度- 高带宽,多端口的DDR2控制器- 32位外部总线接口支持8银行DDR2/LPDDR,SDR / LPSDR的,静态的存储器- MLC /SLC NAND控制器,24位可编程的多比特错误纠正代码(PMECC)
AT91SAM9G25系统运行速度高达133MHz- 上电复位单元,复位控制器,关闭控制器,周期间隔定时器,看门狗定时器和实时时钟- 引导模式选择选项,映射命令- 内部低功耗32 kHz的RC和快速工作频率为12MHz RC振荡器- 可选择的32768 Hz的低功耗振荡器和12 MHz振荡器- 优化的PLL为系统和一个PLL频率为480 MHz的USB高速- 12个32位AHB总线矩阵,大带宽传输层- 双外设桥专用的可编程时钟以获得最佳性能- 两个双端口8通道DMA控制器- 高级中断控制器和调试单元- 两个可编程的外部时钟信号
AT91SAM9G25低功耗模式- 关闭控制器,4个32-bit电池备份寄存器- 时钟发生器和电源管理控制器- 非常慢的时钟工作模式,软件可编程功率优化功能
AT91SAM9G25外设- ITU-RBT。601/656的图像传感器接口- USB设备高速,高速USB主机和USB主机全速专用片上收发器- 1个10/100 Mbps以太网MAC控制器- 两个高速存储卡主机- 两个主/从串行外设接口- 两个三通道32位定时器/计数器- 一个同步串行控制器- 一个4通道16位PWM控制器- 三双线接口- 四个USART,两个UART- 一个12通道的10位模拟数字转换器- 软调制解调器




