AT91SAM9G25
基于ARM926EJ -S ™内核, SAM9G25是嵌入式微处理器单元,在400 MHz的运行,并设有连接外设,高数据带宽建筑和小型封装选项,使之成为优化的解决方案工业应用。
制造商:
产品信息
基于ARM926EJ -S ™内核, SAM9G25是嵌入式微处理器单元,在400 MHz的运行,并设有连接外设,高数据带宽建筑和小型封装选项,使之成为优化的解决方案工业应用。
多层总线矩阵连接到2 x 8个DMA通道,以及专用的通信和接口外设的DMA,确保不间断的数据传输,以最小的处理器开销。接口外围设备包括一个相机接口,支持直接连接到ITU-R BT。601/6568位模式下的标准的传感器和高达12位的灰度传感器。通讯外设包括一个软调制解调器支持专门的科胜讯的SmartDAA线路驱动器,HS(高达480 Mbps)USB主机和设备端口,片上收发器,FS USB主机,10/100以太网MAC,两个HS SD卡/ SDIO / MMC接口,USART接口(SPI),同步串行接口的I2S,多个TWIS和10位ADC。
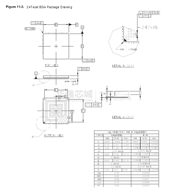
电路图、引脚图和封装图
应用案例
盈鹏飞科技at91sam9g45-Wince6.0 BSP简介
2019-11-01
米尔科技 ATMEL AT91SAM9G45 ARM9单板机概述
2019-11-04
米尔科技SAM9X35 X25 G35 G25 G15 ARM9开发板概述
2019-11-04
米尔科技SAM9X35 X25 G35 G25 G15 ARM9核心板简介
2019-11-05
米尔科技ATMEL SAM9X35 X25 G35 G25 G15 开发板概述
2019-11-04
深入解析AT91SAM7SE512/256/32:强大的ARM基Flash MCU
2026-02-10
你了解uboot的at91sam9g45移植
2019-05-15
一种新的分割模型Stable-SAM
2023-12-29




