AT91SAM9260B-CU
在AT91SAM9260是基于快速ROM的ARM926EJ - S处理器的集成与RAM存储器和各种外设。
制造商:
产品信息
特点
•180 MHz的ARM926EJ -S ™ ARM®拇指®处理器
8 KB的数据高速缓存, 8 KB的指令Cache , MMU
回忆
- 32位外部总线接口,支持4个银行SDRAM / LPSDR ,静态存储器,
CF卡, SLC NAND闪存,带ECC
- 两个4K字节内部SRAM ,在系统运行速度单周期访问
- 一个32字节的内部ROM ,嵌入自举程序
外设
- ITU -R BT 。 601/656图像传感器接口
- USB设备和USB主机与专用片上收发器
- 10/100 Mbps以太网MAC控制器
- 一个高速存储卡主机
- 两个主/从串行外设接口
- 两个三通道32位定时器/计数器
- 一个同步串行控制器
- 一个两线接口
- 四个USART
•两个UART
- 4通道10位ADC
系统
- 90 MHz的6个32位的多层AHB总线矩阵
- 22个外设DMA通道
- 引导从NAND闪存, SD卡, DataFlash®或串行数据闪存
- 复位控制器,带有片上上电复位
- 可选择32,768 Hz的低功耗和3-20 MHz的主振荡器
- 内部低功耗32 kHz RC振荡器
- 一个PLL为系统和一个PLL为USB优化
- 两个可编程的外部时钟信号
- 高级中断控制器和调试单元
- 周期性间隔定时器,看门狗定时器和实时定时器
I / O
- 三个32位并行输入/输出控制器
- 96可编程I / O线复用最多两个外设I / O
包
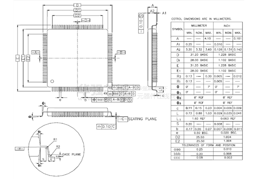
- 217球BGA封装,0.8 mm间距
- 208 - pin的QFP ,0.5 mm间距
电路图、引脚图和封装图
应用案例
Cu-Cu混合键合的原理是什么
2025-02-27
Texas Instruments TPS7B91 LDO线性稳压器数据手册
2025-07-30
MAX9259EVKIT和MAX9260EVKIT的正确电源跳线设置
2023-01-14
AT91SAM7S128解密成功,AT91系列单片机解密
2022-10-14
盈鹏飞科技at91sam9g45-Wince6.0 BSP简介
2019-11-01
米尔科技 ATMEL AT91SAM9G45 ARM9单板机概述
2019-11-04
CU4000™和CU4000 LoPro®铜箔Rogers
2023-07-05
基于AT91SAM7S256单片机和CC1100射频芯片实现无线传感器网络节点设计
2020-05-09




