AT91SAM9260
在AT91SAM9260是基于快速ROM的ARM926EJ - S处理器的集成与RAM存储器和各种外设。
制造商:
产品信息
在AT91SAM9260是基于快速ROM的ARM926EJ - S处理器的集成与RAM存储器和各种外设。
在AT91SAM9260嵌入了一个以太网MAC ,一个USB设备端口,以及一个USB主机控制 -LER 。它还集成了多种标准外设,如USART , SPI , TWI ,定时器计数器,同步串行控制器, ADC和多媒体卡接口。
在AT91SAM9260是architectured在6层基质,允许的最大内部带宽六个32位总线。它还拥有一个能够与广泛的接口的外部总线接口范围的存储设备中。
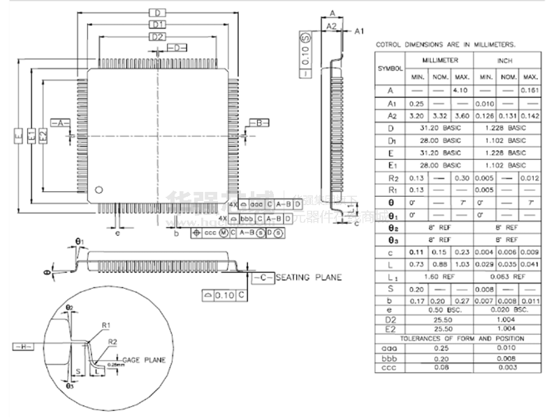
电路图、引脚图和封装图
应用案例
基于AT91SAM7X微控制器实现数据采集系统的设计
2021-03-20
基于AT91SAM7A3芯片和CAN收发器实现CAN/LIN网关的设计
2021-04-12
基于AT91SAM9260和GPRS实现汽车记录仪的设计
2018-12-10
深入解析AT91SAM7SE512/256/32:强大的ARM基Flash MCU
2026-02-10
基于AT91SAM7S256单片机和CC1100射频芯片实现无线传感器网络节点设计
2020-05-09
盈鹏飞科技at91sam9g45-Wince6.0 BSP简介
2019-11-01
米尔科技 ATMEL AT91SAM9G45 ARM9单板机概述
2019-11-04
基于AT91SAM7S64单片机和BISS0001实现数字图像采集报警系统的设计
2020-10-21




