AT91SAM7X256
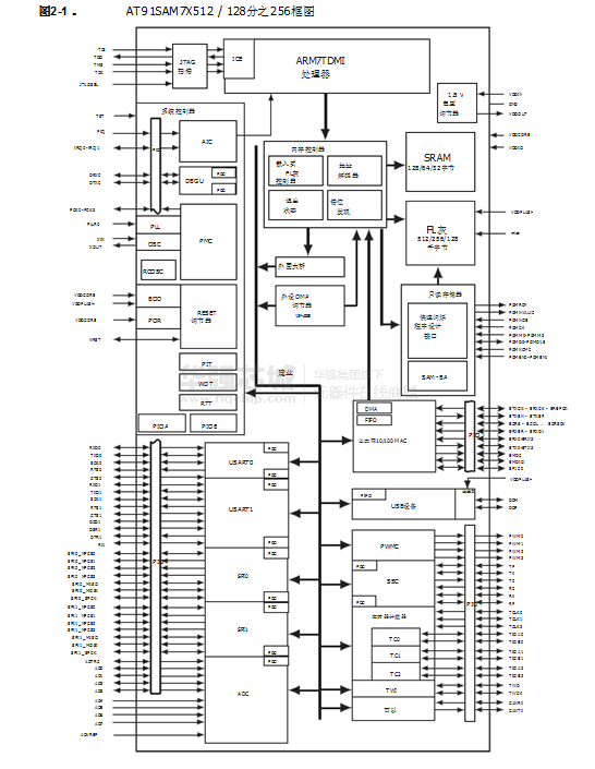
Atmel的AT91SAM7X512 /一百二十八分之二百五十六是一系列高度集成的闪存单片机中的一员基于32位ARM RISC处理器制器。
制造商:
产品信息
Atmel的AT91SAM7X512 /一百二十八分之二百五十六是一系列高度集成的闪存单片机中的一员基于32位ARM RISC处理器制器。它具有512/256/128字节的高速闪存和128/64/32 KB的SRAM ,丰富的外设,其中包括802.3以太网MAC和一个CAN控制器。一套完整的系统功能,最大限度地减少了外部的数组件。
电路图、引脚图和封装图
应用案例
基于SL811HS/T和AT91SAM7X256控制器实现USB主机接口的设计
2021-06-23
一种新的分割模型Stable-SAM
2023-12-29
基于AT91RM9200处理器和操作系统实现图形用户界面系统的设计
2020-09-25
基于AT91SAM7X微控制器实现数据采集系统的设计
2021-03-20
基于AT91SAM7S256单片机和CC1100射频芯片实现无线传感器网络节点设计
2020-05-09
AT91SAM7S128解密成功,AT91系列单片机解密
2022-10-14
基于AT91SAM7S64单片机和BISS0001实现数字图像采集报警系统的设计
2020-10-21
基于AT91SAM7A3芯片和CAN收发器实现CAN/LIN网关的设计
2021-04-12




